
OMRON E6C2-C Sensors
last update: April 21, 2017
• Incremental model
• External diameter of 50 mm.
• Resolution of up to 2,000 ppr.
• IP64 (improved oil-proof construction with sealed bearings)
• Side or back connections are possible. Pre-wired Models with cable connected at an angle.
last update: April 21, 2017
If you have just landed here, this product OMRON E6C2-C Sensors,Sensors is offered online by Tianin FLD Technical Co.,Ltd. This is an online store providing Sensors at wholesale prices for consumers. You can call us or send enquiry, we would give you the prices, packing,deliverty and more detailed information on the E6C2-C We cooperate with DHL,TNT,FEDEX,UPS,EMS,etc.They guarantee to meet your needs in terms of time and money,even if you need your OMRON E6C2-CSensors tomorrow morning (aka overnight or next day air) on your desk, 2, 3 days or more.Note to international customers, YES, we ship worldwide.
WS02-SGWC1 / CPLC1 FA Communications Software/Features
G4Q Ratchet Relay/Features
K3HB-V Weighing Indicator/Features
K3HB-H Temperature Indicator/Features
S8VK-S S8VK-S (30/60/120/240/480-W Models)/Features
last update: October 28, 2015
| Model | E6C2-CWZ6C | E6C2-CWZ5B | E6C2-CWZ3E | E6C2-CWZ1X | |
|---|---|---|---|---|---|
| Power supply voltage | 5 VDC -5% to 24 VDC +15%, ripple (p-p): 5% max. | 12 VDC -10% to 24 VDC +15%, ripple (p-p): 5% max. | 5 VDC -5% to 12 VDC +10%, ripple (p-p): 5% max. | 5 VDC ±5%, ripple (p-p): 5% max. | |
| Current consumption *1 | 80 mA max. | 100 mA max. | 160 mA max. | ||
| Resolution (pulses/rotation) | 10, 20, 30, 40, 50, 60, 100, 200, 300, 360, 400, 500, 600, 720, 800, 1,000, 1,024, 1,200, 1,500, 1,800, 2,000 | 100, 200, 360, 500, 600, 1,000, 2,000 | 10, 20, 30, 40, 50, 60, 100, 200, 300, 360, 400, 500, 600, 720, 800, 1,000, 1,024, 1,200, 1,500, 1,800, 2,000 | ||
| Output phases | Phases A, B, and Z | ![]() | |||
| Output configuration | NPN open-collector output | PNP open-collector output | Voltage output (NPN output) | Line driver output *2 | |
| Output capacity | Applied voltage: 30 VDC max. Sink current: 35 mA max. Residual voltage: 0.4 V max. (at sink current of 35 mA) | Applied voltage: 30 VDC max. Source current: 35 mA max. Residual voltage: 0.4 V max. (at source current of 35 mA) | Output resistance: 2 kΩ Output current: 20 mA max. Residual voltage: 0.4 V max. (at sink current of 20 mA) | AM26LS31 equivalent Output voltage: High level: Io = -20 mA Low level: Is = 20 mA Output voltage: Vo = 2.5 V min. Vs = 0.5 V max. | |
| Maximum response frequency *3 | 100 kHz | 50 kHz | 100 kHz | ||
| Phase difference between outputs | 90°±45° between A and B (1/4 T ± 1/8 T) | ||||
| Rise and fall times of output | 1 μs max. (Control output voltage: 5 V, Load resistance: 1 kΩ, Cable length: 2 m) | 1 μs max. (Cable length: 2 m, Sink current: 10 mA) | 0.1 μs max. (Cable length: 2 m, Io = -20 mA, Is = 20 mA) | ||
| Starting torque | 10 mNm max. | ||||
| Moment of inertia | 1×10-6 kgm2 max.; 3 × 10-7 kgm2 max. at 600 P/R max. | ||||
| Shaft loading | Radial | 50 N | |||
| Thrust | 30 N | ||||
| Maximum permissible speed | 6,000 r/min | ||||
| Protection circuits | Power supply reverse polarity protection, Load short-circuit protection | --- | |||
| Ambient temperature range | Operating: -10 to 70°C (with no icing), Storage: -25 to 85°C (with no icing) | ||||
| Ambient humidity range | Operating/Storage: 35% to 85% (with no condensation) | ||||
| Insulation resistance | 100 MΩ min. (at 500 VDC) between current-carrying parts and case | ||||
| Dielectric strength | 500 VAC, 50/60 Hz for 1 min between current-carrying parts and case | ||||
| Vibration resistance | Destruction: 10 to 500 Hz, 150 m/s2 or 2-mm double amplitude for 11 min 3 times each in X, Y, and Z directions | ||||
| Shock resistance | Destruction: 1,000 m/s2 3 times each in X, Y, and Z directions | ||||
| Degree of protection | IEC 60529 IP64, in-house standards: oilproof | ||||
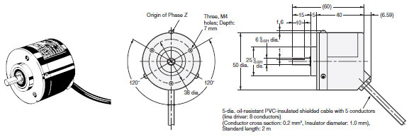
| Connection method | Pre-wired Models (Standard cable length: 2 m) | ||||
| Material | Case: Zinc alloy, Main unit: Aluminum, Shaft: SUS420J2 | ||||
| Weight (packed state) | Approx. 400 g | ||||
| Accessories | Instruction manual Note: Coupling, mounting bracket and hex-head spanner are sold separately. | ||||
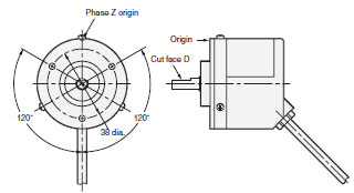
Note: Origin Indication
The following illustration shows the relationship between phase Z and the origin. Set cut face D to the phase Z
origin as shown in the illustration.
*1. An inrush current of approximately 9 A will flow for approximately 0.3 ms when the power is turned ON.
*2. The line driver output is a data transmission circuit compatible with RS-422A and long-distance transmission is
possible with a twisted-pair cable.(AM26LS31 equivalent)
*3. The maximum electrical response speed is determined by the resolution and maximum response frequency as
follows:
This means that the E6C2-C Rotary Encoder will not operate electrically if its speed exceeds the maximum electrical
response speed.
last update: October 28, 2015
| Catalog Name | Catalog Number [size] | Last Update | |
|---|---|---|---|
| | - [437KB] | Oct 28, 201520151028 | E6C2-C Data Sheet |
last update: September 24, 2012
| Power supply voltage | Output configuration | Resolution (pulses/rotation) | Model |
|---|---|---|---|
| 5 to 24 VDC | Open-collector output (NPN) | 10, 20, 30, 40, 50, 60, 100, 200, 300, 360, 400, 500, 600 | E6C2-CWZ6C (resolution) 2M Example: E6C2-CWZ6C 10P/R 2M |
| 720, 800, 1,000, 1,024, 1,200, 1,500, 1,800, 2,000 | |||
| 12 to 24 VDC | Open-collector output (PNP) | 100, 200, 360, 500, 600 | E6C2-CWZ5B (resolution) 2M Example: E6C2-CWZ5B 100P/R 2M |
| 1,000, 2,000 | |||
| 5 to 12 VDC | Voltage output | 10, 20, 30, 40, 50, 60, 100, 200, 300, 360, 400, 500, 600 | E6C2-CWZ3E (resolution) 2M Example: E6C2-CWZ3E 10P/R 2M |
| 720, 800, 1,000, 1,024, 1,200, 1,500, 1,800, 2,000 | |||
| 5 VDC | Line-driver output | 10, 20, 30, 40, 50, 60, 100, 200, 300, 360, 400, 500, 600 | E6C2-CWZ1X (resolution) 2M Example: E6C2-CWZ1X 10P/R 2M |
| 720, 800, 1,000, 1,024, 1,200, 1,500, 1,800, 2,000 |
| Name | Model | Remarks |
|---|---|---|
| Couplings | E69-C06B | --- |
| E69-C68B | Different end diameter | |
| E69-C610B | Different end diameter | |
| E69-C06M | Metal construction | |
| Flanges | E69-FCA | --- |
| E69-FCA02 | E69-2 Servo Mounting Bracket provided. | |
| Servo Mounting Bracket | E69-2 | Provided with E69-FCA02 Flange. |
last update: September 24, 2012
last update: November 12, 2012
Tolerance class IT16 applies to dimensions in this datasheet unless otherwise specified.
last update: November 12, 2012