
OMRON A22NK Switches
last update: October 03, 2016
• You can connect up to three Contact Blocks in one stage for multistage expansion.
• Screw terminal structure is compatible with round crimp terminals. (Screw terminal block type)
• The terminals can be secured even when a contact block is mounted. (Screw terminal block type)
• Contact Blocks can be attached in any direction for easy assembly.
• No need for extra lateral space because of the modified wiring direction. (Push-In Plus terminal block type)
• Compact design.
• Easy-to-operate lock lever for secure locking.
• Easy-mounting Contact Blocks provide finger protection.
• No loose connections of wiring means maintenance-free use. (Push-In Plus terminal block type)
• Meet global safety standards.
• Can be installed in two types of panel hole dimensions: 22.3 and 25.5 dia.
• The buttons and bezels come in a wide variety of colors, shapes, and materials.
• Standard-feature degree of protection: IP66 and NEMA 13.
last update: October 03, 2016
If you have just landed here, this product OMRON A22NK Switches,Switches is offered online by Tianin FLD Technical Co.,Ltd. This is an online store providing Switches at wholesale prices for consumers. You can call us or send enquiry, we would give you the prices, packing,deliverty and more detailed information on the A22NK We cooperate with DHL,TNT,FEDEX,UPS,EMS,etc.They guarantee to meet your needs in terms of time and money,even if you need your OMRON A22NKSwitches tomorrow morning (aka overnight or next day air) on your desk, 2, 3 days or more.Note to international customers, YES, we ship worldwide.
E3X-DA-S / MDA Digital Fiber Amplifier Unit/Features
E5EC, E5EC-B Digital Temperature Controller (48 x 96 mm)/Features
H3Y-[]-B Solid-state Timer/Features
CPM2C-S1[]0C CPU Units with CompoBus/S Master/Features
XW3D Connector Terminal Boxes/Features
| Catalog Name | Catalog Number [size] | Last Update | |
|---|---|---|---|
| | A254-E1-01 [55488KB] | Jan 15, 201920190115 | A22N/M22N/A30N Data Sheet |
| | A253-E1-04 [4664KB] | Dec 03, 201820181203 | A22N-P/A30N-P, M22N-P, A22NE-P Catalog |
| | Y218-E1-03 [13592KB] | Oct 02, 201720171002 | Innovation in Control Panel Building |
last update: October 03, 2016
6 A 240 VAC, 10 A 120 VAC
AC-15 3 A 240 VAC
DC-13 4 A 24 VDC
AC-15 3 A 240 VAC
DC-13 4 A 24 VDC
UL1059 and UL486E (Push-In Plus terminal block type)
| Rated insulation voltage | 600 V | |||||
|---|---|---|---|---|---|---|
| Rated carry current | 10 A | |||||
| Rated voltage | 24 V | 120 V | 240 V | 380 V | 440 V | |
| AC at 50/60 Hz | Resistive load (AC-12) | 10 A | 10 A | 6 A | 2A | 2 A |
| Inductive load (AC-15) | 10 A | 6 A | 3 A | 1.9 A | 1.6 A | |
| DC | Resistive load (DC-12) | 8 A | 2.2 A | 1.1 A | --- | --- |
| Inductive load (DC-13) | 4 A | 1.1 A | 0.55 A | --- | --- | |
Note: 1. The above ratings were obtained by conducting tests under the following conditions.
(1) Ambient temperature: 20 ±2°C
(2) Ambient humidity: 65% ±5% RH
(3) Operating frequency: 30 operations/minute
2. Minimum applicable load: 10 mA at 5 VDC.
| Item | Key-type Selector Switches | |
|---|---|---|
| Allowable operating frequency | Mechanical | 30 operations/minute max. |
| Electrical | 30 operations/minute max. | |
| Insulation resistance | 100 MΩ min. (at 500 VDC) | |
| Contact resistance | 100 mΩ max. (initial value) | |
| Dielectric strength | Between terminals of same polarity | 2,500 VAC at 50/60 Hz for 1 min. (initial value) |
| Between each terminal and ground | 2,500 VAC at 50/60 Hz for 1 min. (initial value) | |
| Vibration resistance | Malfunction | 10 to 55 Hz, 1.5-mm double amplitude (malfunction within 1 ms) |
| Shock resistance | Malfunction | 1,000 m/s2 max. (malfunction within 1 ms) |
| Durability | Mechanical | 500,000 operations min. (Switches with 3 positions: 300,000 operations min.) |
| Electrical | 500,000 operations min. (Switches with 3 positions: 300,000 operations min.) (250 VAC, 3 A, with an inductive load having power factor cos θ = 0.4) | |
| Ambient operating temperature*1 | -25 to 70°C | |
| Ambient operating humidity | 35% to 85% RH | |
| Ambient storage temperature*1 | -40 to 80°C | |
| Degree of protection*2 | Conforming to IP66, NEMA13 | |
| Electric shock protection class | Class II | |
| PTI (tracking characteristic) | 175 | |
| Degree of contamination (application environment) | 3 (EN 60947-5-1) | |
| Weight | Approx. 65 g (for 1NC/1NO) | |
*1. With no icing or condensation.
*2. Degree of protection from the front of the panel.
| Item | Key-type Selector Switches | |
|---|---|---|
| Manual reset | Automatic reset | |
| Total travel force (torque) (maximum TTF) | 0.6 N·m | 0.6 N·m |
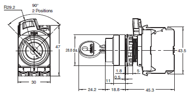
| Total travel (TT) | 2 positions: Approx. 90°, 3 positions: Approx. 45° | |
| Resetting force (torque) (RF) | 0.5 N·m max. | --- |
| Key-type Selector Switches | ||
|---|---|---|
| 2 positions | 3 positions | |
| Linking example | ![]() | ![]() |
Note: If you increase the number of Contact Blocks, evaluate the Switch under actual working conditions before permanent installation and use the Switch within a number of switching operations that will not adversely affect the Switch’s performance.
last update: October 03, 2016
last update: April 2, 2018
| Item | Appearance | Classification | Model | Remarks | |
|---|---|---|---|---|---|
| Protective Cover | ![]() | --- | A22NZ-A-303 | A protector designed to prevent incorrect operation. Cannot be used together with other accessories. (Rubber seal included.) For 22.3 and 25.5-mm panel holes diameter. Key-type selector switches cannot be used. | |
| Plastic Hole Plug | ![]() | Round | A22NZ-A-401 | Can be plugged into precut panel holes for future expansion. Applicable panel thickness: 0.8 to 3.0 mm For 22.3-mm panel hole diameter. | |
| Metal Hole Plug | ![]() | Round | A22NZ-A-402 | Can be plugged into precut panel holes for future expansion. Applicable panel thickness: 0.8 to 6.0 mm (Rubber seal included.) For 22.3-mm panel hole diameter. | |
| Lock Ring | ![]() | Round | A22NZ-A-403 | Used when a more secure lock is required to prevent rotation inside the Operation Unit. (Rubber seal included.) For 22.3-mm panel hole diameter. Can be used together with the A22NZ-A-50501 Lock Ring. | |
| Lock Ring | ![]() | --- | A22NZ-A-50501 | Used when a more secure lock is required to prevent rotation of the Operation Unit. Can be used together with the A22NZ-A-403 Lock Ring. Can be used with the A22N Series and the A30N Series. | |
| Reinforcement Plate | ![]() | --- | A22NZ-A-C01 | Used to reinforce Contact Blocks and Lighting Units, Refer to catalog for mounting instructions. | |
| Key | ![]() | --- | A22NZ-K-01 | Used with a key-type selector switch. | |
| Control Box | ![]() | 1 hole | A22NZ-A-B01Y | Applicable Range • Type with Screw Terminal Block One Switch can be linked. • Type with Push-in Plus Terminal Block Compatible only with Switches with a Single-contact Unit. For 22.3-mm panel hole diameter. | |
| Connector | ![]() | Suitable Cable Diameter (mm) | 7 to 9 dia. | A22Z-3500-1 | Plastic connector used to extend a cable from the switch box. Refer to catalog for details. |
| 9 to 11 dia. | A22Z-3500-2 | ||||
| Sealing Caps | ![]() | For flat models | A22Z-3600F | Used to prevent dust or water from entering the Operation Unit. Color: opaque Material: silicon For 22.3 and 25.5-mm panel holes diameter. Knob-type and key-type selector switches cannot be used. | |
| For projection models | A22Z-3600T | ||||
| For full-guard models | A22Z-3600G | ||||
| Resin Attachment for 30 dia. | ![]() | Round | A22Z-A30 | Use when mounting to a panel with a 30-dia. hole. Refer to catalog for details. Purchase and mount a separate Lock Ring when using an indicator. | |
| Small Legend Plate Frame | ![]() | Black | A22NZ-A-50103 | Legend Plate with no text on black background included. For 22.3-mm panel hole diameter. | |
| Small Legend Plates (Standard Size) | ![]() | Without text | A22Z-3443B | Black | |
| A22Z-3443R | Red | ||||
| A22Z-3443W | White | ||||
| A22Z-3443C | Transparent | ||||
| ○ | A22Z-3443R-2 | White text on red background | |||
| STOP | A22Z-3443R-4 | ||||
| | | A22Z-3443B-1 | White text on black background | |||
| START | A22Z-3443B-3 | ||||
| ON | A22Z-3443B-5 | ||||
| OFF | A22Z-3443B-6 | ||||
| UP | A22Z-3443B-7 | ||||
| DOWN | A22Z-3443B-8 | ||||
| POWER ON | A22Z-3443B-9 | ||||
| OFF-ON | A22Z-3443B-10 | ||||
| Large Legend Plate Frame | ![]() | Black | A22NZ-A-51103 | Legend Plate with no text on black background included. For 22.3-mm panel hole diameter. | |
| Large Legend Plates | ![]() | Without text | A22Z-3453B | Black | |
| A22Z-3453R | Red | ||||
| A22Z-3453W | White | ||||
| A22Z-3453C | Transparent | ||||
| Tightening Wrench | ![]() | --- | A22NZ-A-301 | Used to tighten Mounting Nuts from the back of the panel. | |
| LED Lamp Extractor | ![]() | --- | A22NZ-A-302 | Made of rubber and used to easily remove and attach LED Lamps. | |
| Cap Tightening Wrench | ![]() | --- | A22Z-3908 | Used to replace the Caps on Flat, Projected, and Fullguard Pushbutton Switches. | |
last update: April 2, 2018
last update: August 1, 2017
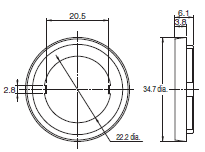
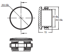
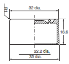
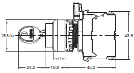
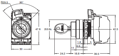
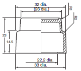
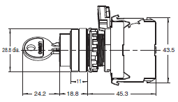
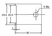
(Unit: mm)
A22NK-2B[]-01[]A-G
A22NK-2B[]-01[]A-P
A22NK-3B[]-01[]A-G
A22NK-3B[]-01[]A-P
A22NK-2M[]-01[]A-G
A22NK-2M[]-01[]A-P
A22NK-3M[]-01[]A-G
A22NK-3M[]-01[]A-P
A22NK-2R[]-01[]A-G
A22NK-2R[]-01[]A-P
A22NK-3R[]-01[]A-G
A22NK-3R[]-01[]A-P
(Screw terminal block type)
(Push-In Plus terminal block type)
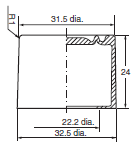
A22NZ-H-01
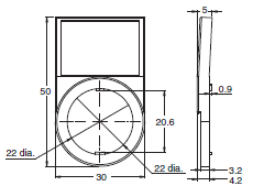
A22NZ-S-G1[]
A22NZ-S-P1[]
A22NZ-S-P2[]
A22NZ-A303
A22NZ-A-401
A22NZ-A-402
A22NZ-A-403
A22NZ-A-50501
A22NZ-A-C01
A22NZ-A-B01Y
For Flat Models A22Z-3600F
For projection models A22Z-3600T
For full-guard models A22Z-3600G
A22Z-A30
General A22NZ-A-50103
Large A22NZ-A-51103
General A22Z-3443[]-[]
Large A22Z-3453[]
A22NZ-A-301
A22NZ-A-302
A22Z-3908
last update: August 1, 2017
last update: August 1, 2017
| Screw Terminal Blocks/Push-In Plus Terminal Blocks |
|---|
| Plastic bezels |
| A22NK-[]B |
![]() |
| Screw Terminal Blocks/Push-In Plus Terminal Blocks |
|---|
| Brushed metal bezels |
| A22NK-[]M |
![]() |
| Screw Terminal Blocks/Push-In Plus Terminal Blocks |
|---|
| Metal bezels |
| A22NK-[]R |
![]() |
Shipped as a set that includes the Operation Unit, Mounting Collar, and Contact Block.
For information on combinations, refer to Ordering Information.
| No. of outputs | Code | Contact configuration | Unit position | Contacts | Position | |
|---|---|---|---|---|---|---|
| 1 | 2 | |||||
| 1 | 100 | SPST-NO | 1 | NO | ON | |
| 2 | --- | --- | --- | |||
| 3 | --- | --- | --- | |||
| 1 | 002 | SPST-NC | 1 | --- | --- | --- |
| 2 | --- | --- | --- | |||
| 3 | NC | ON | ||||
| 2 | 102 | SPST-NO/ SPST-NC | 1 | NO | ON | |
| 2 | --- | --- | --- | |||
| 3 | NC | ON | ||||
| 2 | 101 | DPST-NO | 1 | NO | ON | |
| 2 | --- | --- | --- | |||
| 3 | NO | ON | ||||
| 2 | 202 | DPST-NC | 1 | NC | ON | |
| 2 | --- | --- | --- | |||
| 3 | NC | ON | ||||
| 3 | 111 | 3PST-NO | 1 | NO | ON | |
| 2 | NO | ON | ||||
| 3 | NO | ON | ||||
| 3 | 222 | 3PST-NC | 1 | NC | ON | |
| 2 | NC | ON | ||||
| 3 | NC | ON | ||||
| 3 | 122 | SPST-NO/ DPST-NC | 1 | NO | ON | |
| 2 | NC | ON | ||||
| 3 | NC | ON | ||||
| 3 | 112 | DPST-NO/ SPST-NC | 1 | NO | ON | |
| 2 | NO | ON | ||||
| 3 | NC | ON | ||||
| No. of outputs | Code | Contact configuration | Unit position | Contacts | Position | ||
|---|---|---|---|---|---|---|---|
| 1 | 0 | 2 | |||||
| 2 | 110 | DPST-NO | 1 | NO | ON | ||
| 2 | NO | ON | ON | ||||
| 3 | --- | --- | --- | --- | |||
| 2 | 011 | DPST-NO | 1 | --- | --- | --- | --- |
| 2 | NO | ON | ON | ||||
| 3 | NO | ON | |||||
| 2 | 101 | DPST-NO | 1 | NO | ON | ||
| 2 | --- | --- | --- | --- | |||
| 3 | NO | ON | |||||
| 2 | 220 | DPST-NC | 1 | NC | ON | ON | |
| 2 | NC | ON | |||||
| 3 | --- | --- | --- | --- | |||
| 2 | 022 | DPST-NC | 1 | --- | --- | --- | --- |
| 2 | NC | ON | |||||
| 3 | NC | ON | ON | ||||
| 2 | 202 | DPST-NC | 1 | NC | ON | ON | |
| 2 | --- | --- | --- | --- | |||
| 3 | NC | ON | ON | ||||
| 2 | 120 | SPST-NO/ SPST-NC | 1 | NO | ON | ||
| 2 | NC | ON | |||||
| 3 | --- | --- | --- | --- | |||
| 2 | 102 | SPST-NO/ SPST-NC | 1 | NO | ON | ||
| 2 | --- | --- | --- | --- | |||
| 3 | NC | ON | ON | ||||
| 2 | 210 | SPST-NO/ SPST-NC | 1 | NC | ON | ON | |
| 2 | NO | ON | ON | ||||
| 3 | --- | --- | --- | --- | |||
| 2 | 201 | SPST-NO/ SPST-NC | 1 | NC | ON | ON | |
| 2 | --- | --- | --- | --- | |||
| 3 | NO | ON | |||||
| 2 | 012 | SPST-NO/ SPST-NC | 1 | --- | --- | --- | --- |
| 2 | NO | ON | ON | ||||
| 3 | NC | ON | ON | ||||
| 2 | 021 | SPST-NO/ SPST-NC | 1 | --- | --- | --- | --- |
| 2 | NC | ON | |||||
| 3 | NO | ON | |||||
| 3 | 111 | 3PST-NO | 1 | NO | ON | ||
| 2 | NO | ON | ON | ||||
| 3 | NO | ON | |||||
| 3 | 222 | 3PST-NC | 1 | NC | ON | ON | |
| 2 | NC | ON | |||||
| 3 | NC | ON | ON | ||||
| 3 | 122 | SPST-NO/ DPST-NC | 1 | NO | ON | ||
| 2 | NC | ON | |||||
| 3 | NC | ON | ON | ||||
| 3 | 212 | SPST-NO/ DPST-NC | 1 | NC | ON | ON | |
| 2 | NO | ON | ON | ||||
| 3 | NC | ON | ON | ||||
| 3 | 221 | SPST-NO/ DPST-NC | 1 | NC | ON | ON | |
| 2 | NC | ON | |||||
| 3 | NO | ON | ON | ||||
| 3 | 211 | DPST-NO/ SPST-NC | 1 | NC | ON | ON | |
| 2 | NO | ON | ON | ||||
| 3 | NO | ON | |||||
| 3 | 121 | DPST-NO/ SPST-NC | 1 | NO | ON | ||
| 2 | NC | ON | |||||
| 3 | NO | ON | |||||
| 3 | 112 | DPST-NO/ SPST-NC | 1 | NO | ON | ||
| 2 | NO | ON | ON | ||||
| 3 | NC | ON | ON | ||||
Shipped as a set that includes the Operation Unit, Mounting Collar, and Contact Block.
| Appearance | Bezel material | No. of outputs | Model | (3) Reset method | (5) Key release positions | (8)(8)(8) Contact configuration |
|---|---|---|---|---|---|---|
Plastic bezels![]() | 2B | 1 | A22NK-2B(3)-01(5)A-G(8)(8)(8) | M: Manual L: Automatic reset on left | A: All positions B: Left C: Right | 100 002 |
| A22NK-2B(3)-01(5)A-P(8)(8)(8) | ||||||
| 2 | A22NK-2B(3)-01(5)A-G(8)(8)(8) | 102 101 202 | ||||
| A22NK-2B(3)-01(5)A-P(8)(8)(8) | ||||||
| 3 | A22NK-2B(3)-01(5)A-G(8)(8)(8) | 111 222 122 112 | ||||
| A22NK-2B(3)-01(5)A-P(8)(8)(8) | ||||||
Brushed metal bezels![]() | 2M | 1 | A22NK-2M(3)-01(5)A-G(8)(8)(8) | 100 002 | ||
| A22NK-2M(3)-01(5)A-P(8)(8)(8) | ||||||
| 2 | A22NK-2M(3)-01(5)A-G(8)(8)(8) | 102 101 202 | ||||
| A22NK-2M(3)-01(5)A-P(8)(8)(8) | ||||||
| 3 | A22NK-2M(3)-01(5)A-G(8)(8)(8) | 111 222 122 112 | ||||
| A22NK-2M(3)-01(5)A-P(8)(8)(8) | ||||||
Metal bezels![]() | 2R | 1 | A22NK-2R(3)-01(5)A-G(8)(8)(8) | 100 002 | ||
| A22NK-2R(3)-01(5)A-P(8)(8)(8) | ||||||
| 2 | A22NK-2R(3)-01(5)A-G(8)(8)(8) | 102 101 202 | ||||
| A22NK-2R(3)-01(5)A-P(8)(8)(8) | ||||||
| 3 | A22NK-2R(3)-01(5)A-G(8)(8)(8) | 111 222 122 112 | ||||
| A22NK-2R(3)-01(5)A-P(8)(8)(8) |
| Appearance | Bezel material | No. of outputs | Model | (3) Reset method | (5) Key release positions | (8)(8)(8) Contact configuration |
|---|---|---|---|---|---|---|
Plastic bezels![]() | 3B | 2 | A22NK-3B(3)-01(5)A-G(8)(8)(8) | M: Manual L: Automatic reset on left R: Automatic reset on right B: Automatic reset on left and right | A: All positions B: Left C: Right D: Center G: Left and right | 110 011 101 220 022 202 120 102 210 201 012 021 |
| A22NK-3B(3)-01(5)A-P(8)(8)(8) | ||||||
| 3 | A22NK-3B(3)-01(5)A-G(8)(8)(8) | 111 222 122 212 221 211 121 112 | ||||
| A22NK-3B(3)-01(5)A-P(8)(8)(8) | ||||||
Brushed metal bezels![]() | 3M | 2 | A22NK-3M(3)-01(5)A-G(8)(8)(8) | 110 011 101 220 022 202 120 102 210 201 012 021 | ||
| A22NK-3M(3)-01(5)A-P(8)(8)(8) | ||||||
| 3 | A22NK-3M(3)-01(5)A-G(8)(8)(8) | 111 222 122 212 221 211 121 112 | ||||
| A22NK-3M(3)-01(5)A-P(8)(8)(8) | ||||||
Metal bezels![]() | 3R | 2 | A22NK-3R(3)-01(5)A-G(8)(8)(8) | 110 011 101 220 022 202 120 102 210 201 012 021 | ||
| A22NK-3R(3)-01(5)A-P(8)(8)(8) | ||||||
| 3 | A22NK-3R(3)-01(5)A-G(8)(8)(8) | 111 222 122 212 221 211 121 112 | ||||
| A22NK-3R(3)-01(5)A-P(8)(8)(8) |
You can order Operation Units, Mounting Collars, and Contact Blocks individually. Use them in combination for models that are not available as assembled Switches. They can also be used as inventory for maintenance parts.
| Bezel material and shape | Plastic![]() | Brushed metal![]() | Metal![]() | (1) Key release positions | |
|---|---|---|---|---|---|
| No. of positions | Reset method | Model | Model | Model | |
| 2 | Manual | A22NZ-2BM-01(1)A | A22NZ-2MM-01(1)A | A22NZ-2RM-01(1)A | A: All positions B: Left C: Right |
| Automatic reset on left | A22NZ-2BL-01(1)A | A22NZ-2ML-01(1)A | A22NZ-2RL-01(1)A | ||
| 3 | Manual | A22NZ-3BM-01(1)A | A22NZ-3MM-01(1)A | A22NZ-3RM-01(1)A | A: All positions B: Left C: Right D: Center G: Left and right |
| Automatic reset on left | A22NZ-3BL-01(1)A | A22NZ-3ML-01(1)A | A22NZ-3RL-01(1)A | ||
| Automatic reset on right | A22NZ-3BR-01(1)A | A22NZ-3MR-01(1)A | A22NZ-3RR-01(1)A | ||
| Automatic reset on left and right | A22NZ-3BB-01(1)A | A22NZ-3MB-01(1)A | A22NZ-3RB-01(1)A | ||
You can order Operation Units, LED Lamps, Mounting Collars, and Contact Blocks individually. Use them in combination for models that are not available as assembled Units. These can also be used as inventory for maintenance parts.
| Appearance | Model |
|---|---|
![]() | A22NZ-H-01 |
| Appearance | Terminals Specifications | Contact Specification | Model |
|---|---|---|---|
![]() | Screw terminal block | SPST-NO (blue) | A22NZ-S-G1A |
| SPST-NC (orange) | A22NZ-S-G1B | ||
![]() | Push-In Plus terminal block | SPST-NO (blue) | A22NZ-S-P1A |
| SPST-NC (red) | A22NZ-S-P1B | ||
![]() | Push-In Plus terminal block | DPST-NO (blue) | A22NZ-S-P2A |
| DPST-NC (red) | A22NZ-S-P2B | ||
| SPST-NO/SPST-NC (white) | A22NZ-S-P2C |
last update: August 1, 2017