
OMRON G3RV-SR Relays
last update: April 6, 2017
• Realized about 25% lower profile than conventional products, contributing to further miniaturization of the control panel.
• Optimal slim, high frequency, high-speed opening and closing SSR (solid state relay).
• Realized a slim shape with a switching capacity up to 3 A (DC), and 2 A (AC).
• Because MOSFET is used for the outlet element for the DC load, opening and closing load of 100 μA to 3 A is possible.
• Check operating status at a glance at the operating display LED.
• Mounted I/O SSR (solid-state relay) uses plug-in terminals that are difficult to bend when exchanging.
• G2RV-SR featuring a general-purpose relay similar in shape to G3RV-SR also available.
last update: April 6, 2017
If you have just landed here, this product OMRON G3RV-SR Relays,Relays is offered online by Tianin FLD Technical Co.,Ltd. This is an online store providing Relays at wholesale prices for consumers. You can call us or send enquiry, we would give you the prices, packing,deliverty and more detailed information on the G3RV-SR We cooperate with DHL,TNT,FEDEX,UPS,EMS,etc.They guarantee to meet your needs in terms of time and money,even if you need your OMRON G3RV-SRRelays tomorrow morning (aka overnight or next day air) on your desk, 2, 3 days or more.Note to international customers, YES, we ship worldwide.
V400-R2 Multi Code Reader/Features
NJ501-4[][][] NJ-series NJ Robotics CPU Units/Features
K6CM Motor Condition Monitoring Device/Features
TL-LP / LY Long-distance Proximity Sensor/Features
SRT2-[]D0[]CL(-1) Waterproof Terminals/Features
last update: July 10, 2017
| Rated input voltage | Rated current | Must operate voltage | Must release voltage | Input voltage | ||
|---|---|---|---|---|---|---|
| AC | DC | Percentage of the rated voltage | ||||
| 50 Hz | 60 Hz | |||||
| 12 VDC | - | - | 15.0 mA | 10.8 V max. | 1 V min. | ±10% |
| 24 VDC | - | - | 12.0 mA | 21.6 V max. | ||
| 24 VAC/VDC | 11.3 mA | 11.4 mA | 11.0 mA | 21.6 V max. | ||
| 48 VAC/VDC | 6.8 mA | 6.9 mA | 6.0 mA | 43.2 V max. | ||
| 100 VAC | 6.2 mA | 6.2 mA | - | 90 V max. | ||
| 110 VAC | 6.2 mA | 6.2 mA | - | 99 V max. | ||
| 200 VAC | 6.7 mA | 7.9 mA | - | 180 V max. | ||
| 230 VAC | 7.5 mA | 8.8 mA | - | 207 V max. | ||
| Rated input voltage | Rated current | Must operate voltage | Must release voltage | Input voltage | ||
|---|---|---|---|---|---|---|
| AC | DC | Percentage of the rated voltage | ||||
| 50 Hz | 60 Hz | |||||
| 12 VDC | - | - | 15.0 mA | 10.8 V max. | 1 V min. | ±10% |
| 24 VDC | - | - | 12.0 mA | 21.6 V max. | ||
| 24 VAC/VDC | 11.4 mA | 11.5 mA | 11.0 mA | 21.6 V max. | ||
| 48 VAC/VDC | 7.7 mA | 7.7 mA | 6.9 mA | 43.2 V max. | ||
| 100 VAC | 7.3 mA | 7.3 mA | - | 90 V max. | ||
| 110 VAC | 7.3 mA | 7.3 mA | - | 99 V max. | ||
| 200 VAC | 7.0 mA | 8.1 mA | - | 180 V max. | ||
| 230 VAC | 7.7 mA | 8.9 mA | - | 207 V max. | ||
| Rated input voltage | Rated current | Must operate voltage | Must release voltage | Input voltage | ||
|---|---|---|---|---|---|---|
| AC | DC | Percentage of the rated voltage | ||||
| 50 Hz | 60 Hz | |||||
| 12 VDC | - | - | 8.0 mA | 10.8 V max. | 1 V min. | ±10% |
| 24 VDC | - | - | 4.6 mA | 21.6 V max. | ||
| 24 VAC/VDC | 5.0 mA | 5.1 mA | 4.3 mA | 21.6 V max. | ||
| 48 VAC/VDC | 6.8 mA | 6.9 mA | 6.0 mA | 43.2 V max. | ||
| 100 VAC | 6.2 mA | 6.2 mA | - | 90 V max. | ||
| 110 VAC | 6.2 mA | 6.2 mA | - | 99 V max. | ||
| 200 VAC | 6.7 mA | 7.9 mA | - | 180 V max. | ||
| 230 VAC | 7.5 mA | 8.8 mA | - | 207 V max. | ||
| Item | G3RV-SR700/500-A(L) | G3RV-SR700/500-D |
|---|---|---|
| Rated load voltage | 100 to 240 VAC (50/60 Hz) | 5 to 24 VDC |
| Load voltage range | 75 to 264 VAC (50/60 Hz) | 3 to 26.4 VDC |
| Load current | 0.1 to 2 A (Ambient temperature=25°C) | 100 μA to 3 A (Ambient temperature=25°C) |
| Inrush current resistance | 30 A (60 Hz, 1 cycle) | 30 A (60 Hz, 1 cycle) |
| Permissible l2t; Joule integral value (reference value) | 15A2 s | 9 A2 s |
| Applied load capacity | 400 W (Output voltage: 200 VAC) | 72 W (Output voltage: 24 VDC) |
| Item | G3RV-SR700/500-A | G3RV-SR700/500-AL | G3RV-SR700/500-D |
|---|---|---|---|
| Operate time | 1/2 cycle of load power supply +1 ms max. | 3 ms max. | 6 ms max. |
| Release time | 60 ms max. | 60 ms max. | 60 ms max. |
| Output ON voltage drop | 1.6 V (RMS) max. | - | |
| Output ON resistance | - | 0.3 Ω max. (at 24 VDC) | |
| Leaked current | 5 mA max. (at 200 VAC, 50/60 Hz) | 10 μA max. (at 24 VDC) | |
| Insulation resistance | 100 MΩ min. (at 500 VDC) | ||
| Dielectric strength | Between input and output 2,500 VAC 50/60 Hz 1 min | ||
| Vibration resistance | Malfunction: 10 to 55 to 10 Hz double amplitude 0.70 mm | ||
| Shock resistance | 300m/s2 | ||
| Ambient operating temperature | Storage: -30 to +100°C (with no icing or no condensation) Operating: -30 to +55°C (with no icing or no condensation) | ||
| Ambient operating humidity | 45 to 85% RH | ||
| Weight | Approx. 38 g | ||
| Pollution degree | 2 | ||
| The degree of protection by IEC60529 | IP20 | ||
| Rated impulse dielectric strength | 4.0 kV/III | ||
| Load category | LC-A | DC-12 | |
| Overload current profile | 1.5Ie 1.1Ue 5s ON, 10s OFF, 10 cycles | ||
| Rated insulation voltage | 240 V | ||
| Model | Input ratings | Contact ratings |
|---|---|---|
| G3RV-SR700/500-D series | 12, 24 VDC 24, 48 VAC/VDC 100, 110, 200, 230 VAC | 24 VDC 3 A (resistive load) at 25°C |
| G3RV-SR700/500-A(L) series | 12, 24 VDC 24, 48 VAC/DC 100, 110, 200, 230 VAC | 240 VAC 2 A (resistive load) at 25°C |
| Model | Input ratings | Contact ratings |
|---|---|---|
| G3RV-SR700/500-D series | 12, 24 VDC 24, 48 VAC/VDC 100, 110, 200, 230 VAC | 24 VDC 3 A (resistive load) |
| G3RV-SR700/500-A(L) series | 12, 24 VDC 24, 48 VAC/VDC 100, 110, 200, 230 VAC | 240 VAC 2 A (resistive load) |
last update: July 10, 2017
| Catalog Name | Catalog Number [size] | Last Update | |
|---|---|---|---|
| | J214-E1-02 [7903KB] | Dec 14, 201820181214 | G2RV-SR/G3RV-SR Data Sheet |
| | J213-E1-05 [7147KB] | Nov 01, 201820181101 | Push-In Plus Terminal Block Series Pamphlet |
| | Y218-E1-03 [13592KB] | Oct 02, 201720171002 | Innovation in Control Panel Building |
last update: September 13, 2017
| Terminal (Wire connection) | Applicable output load | Zero cross function | Rated input voltage (V) | Model | |
|---|---|---|---|---|---|
| Push-In Plus Terminal | DC load | — | DC | 12 | G3RV-SR500-D DC12 |
| 24 | G3RV-SR500-D DC24 | ||||
| AC/DC | 24 | G3RV-SR500-D AC/DC24 | |||
| 48 | G3RV-SR500-D AC/DC48 | ||||
| AC | 100 | G3RV-SR500-D AC100 | |||
| 110 | G3RV-SR500-D AC110 | ||||
| 200 | G3RV-SR500-D AC200 | ||||
| 230 | G3RV-SR500-D AC230 | ||||
| AC load | Yes | DC | 12 | G3RV-SR500-A DC12 | |
| 24 | G3RV-SR500-A DC24 | ||||
| AC/DC | 24 | G3RV-SR500-A AC/DC24 | |||
| 48 | G3RV-SR500-A AC/DC48 | ||||
| AC | 100 | G3RV-SR500-A AC100 | |||
| 110 | G3RV-SR500-A AC110 | ||||
| 200 | G3RV-SR500-A AC200 | ||||
| 230 | G3RV-SR500-A AC230 | ||||
| No | DC | 12 | G3RV-SR500-AL DC12 | ||
| 24 | G3RV-SR500-AL DC24 | ||||
| AC/DC | 24 | G3RV-SR500-AL AC/DC24 | |||
| 48 | G3RV-SR500-AL AC/DC48 | ||||
| AC | 100 | G3RV-SR500-AL AC100 | |||
| 110 | G3RV-SR500-AL AC110 | ||||
| 200 | G3RV-SR500-AL AC200 | ||||
| 230 | G3RV-SR500-AL AC230 | ||||
| Screw terminal | DC load | — | DC | 12 | G3RV-SR700-D DC12 |
| 24 | G3RV-SR700-D DC24 | ||||
| AC/DC | 24 | G3RV-SR700-D AC/DC24 | |||
| 48 | G3RV-SR700-D AC/DC48 | ||||
| AC | 100 | G3RV-SR700-D AC100 | |||
| 110 | G3RV-SR700-D AC110 | ||||
| 200 | G3RV-SR700-D AC200 | ||||
| 230 | G3RV-SR700-D AC230 | ||||
| AC load | Yes | DC | 12 | G3RV-SR700-A DC12 | |
| 24 | G3RV-SR700-A DC24 | ||||
| AC/DC | 24 | G3RV-SR700-A AC/DC24 | |||
| 48 | G3RV-SR700-A AC/DC48 | ||||
| AC | 100 | G3RV-SR700-A AC100 | |||
| 110 | G3RV-SR700-A AC110 | ||||
| 200 | G3RV-SR700-A AC200 | ||||
| 230 | G3RV-SR700-A AC230 | ||||
| No | DC | 12 | G3RV-SR700-AL DC12 | ||
| 24 | G3RV-SR700-AL DC24 | ||||
| AC/DC | 24 | G3RV-SR700-AL AC/DC24 | |||
| 48 | G3RV-SR700-AL AC/DC48 | ||||
| AC | 100 | G3RV-SR700-AL AC100 | |||
| 110 | G3RV-SR700-AL AC110 | ||||
| 200 | G3RV-SR700-AL AC200 | ||||
| 230 | G3RV-SR700-AL AC230 | ||||
Note: Sockets are not sold individually.
| Insu- lation method | Opera- tion Display | Out- put (SSR) | Zero cross Func- tion | Rated output Load * | Rated input voltage (socket) | Model | Applicable model |
|---|---|---|---|---|---|---|---|
| Photo- triac | Yes (green) | AC | Yes | 2 A (at 100 to 240 VAC) | 12 VDC | G3RV-202S DC12 | G3RV-SR700/500-A DC12V |
| 24 VDC | G3RV-202S DC24 | G3RV-SR700/500-A DC24V | |||||
| 24 VAC/ VDC | G3RV-SR700/500-A AC/DC24V | ||||||
| 48 VAC/ VDC | G3RV-202S DC48 | G3RV-SR700/500-A AC/DC48V | |||||
| 100 VAC | G3RV-SR700/500-A AC100V | ||||||
| 110 VAC | G3RV-SR700/500-A AC110V | ||||||
| 200 VAC | G3RV-SR700/500-A AC200V | ||||||
| 230 VAC | G3RV-SR700/500-A AC230V | ||||||
| No | 12 VDC | G3RV-202SL DC12 | G3RV-SR700/500-AL DC12V | ||||
| 24 VDC | G3RV-202SL DC24 | G3RV-SR700/500-AL DC24V | |||||
| 24 VAC/ VDC | G3RV-SR700/500-AL AC/DC24V | ||||||
| 48 VAC/ VDC | G3RV-202SL DC48 | G3RV-SR700/500-AL AC/DC48V | |||||
| 100 VAC | G3RV-SR700/500-AL AC100V | ||||||
| 110 VAC | G3RV-SR700/500-AL AC110V | ||||||
| 200 VAC | G3RV-SR700/500-AL AC200V | ||||||
| 230 VAC | G3RV-SR700/500-AL AC230V | ||||||
| Photo- voltage coupler | DC | - | 3 A (at 5 to 24 VDC) | 12 VDC | G3RV-D03SL DC12 | G3RV-SR700/500-D DC12V | |
| 24 VDC | G3RV-D03SL DC24 | G3RV-SR700/500-D DC24V | |||||
| 24 VAC/ VDC | G3RV-SR700/500-D AC/DC24V | ||||||
| 48 VAC/ VDC | G3RV-D03SL DC48 | G3RV-SR700/500-D AC/DC48V | |||||
| 100 VAC | G3RV-SR700/500-D AC100V | ||||||
| 110 VAC | G3RV-SR700/500-D AC110V | ||||||
| 200 VAC | G3RV-SR700/500-D AC200V | ||||||
| 230 VAC | G3RV-SR700/500-D AC230V |
* Different depending on the ambient temperature.
| Appearance | Pitch | No. of poles | Colors | Model * | Minimum order (Quantity) | Maximum energizing current |
|---|---|---|---|---|---|---|
![]() | 6.2 mm | 2 | Red (R), Blue (S), Yellow (Y) | PYDN-6.2-020[] | 10 | 32 A |
| 3 | PYDN-6.2-030[] | |||||
| 4 | PYDN-6.2-040[] | |||||
| 10 | PYDN-6.2-100[] | |||||
| 20 | PYDN-6.2-200[] |
Note: Use for wiring to the adjacent socket.
* Replace the box ([]) in the model number with the code for the covering color. [] color selection: R = red, S = blue, Y = yellow
| Appearance | Model | Minimum order (Sheet) (Pieces per sheet) |
|---|---|---|
![]() | XW5Z-P2.5LB1 * | 5 (1 sheet/72 pieces) |
| XW5Z-P2.5LB2 |
* Available following June 2017 production.
| Appearance | Model |
|---|---|
![]() | XW5Z-EP12 |
| Appearance | I/O classification | Connection method | Common process | Applicable Models * | Model |
|---|---|---|---|---|---|
![]() | For input | Push-In | PNP | G2RV-SR500-AP | P2RVC-8-I-5-1 |
| NPN | P2RVC-8-I-5 | ||||
| Screw | PNP | G2RV-SR700-AP | P2RVC-8-I-7-1 | ||
| For output | Push-In | PNP | G2RV-SR500 G2RV-SR501 G3RV-SR500 | P2RVC-8-O-5-1 | |
| NPN | P2RVC-8-O-5 | ||||
| Screw | PNP | G2RV-SR700 G2RV-SR701 G3RV-SR700 | P2RVC-8-O-7-1 |
* Please make sure applicable models, P2RVC can not be used other combination than the above table.
| Appearance | Type | Model | Minimum order (Quantity) | |
|---|---|---|---|---|
![]() | DIN Tracks | 1 m | PFP-100N | 1 |
| 0.5 m | PFP-50N | |||
![]() | End Plate * | PFP-M | 10 | |
![]() | Spacer | PFP-S | ||
* When mounting DIN Track, please use End Plate (PFP-M).
| Name | Appearance | Cable length L (mm) | Connecting Cables | Applicable Connectors | |
|---|---|---|---|---|---|
| Cables with Loose Wires P2RV-A[]C | 8 I/O points | ![]() | 1,000 | P2RV-A100C | Various devices |
| 2,000 | P2RV-A200C | ||||
| 3,000 | P2RV-A300C | ||||
| 5,000 | P2RV-A500C | ||||
| Cables with Connectors (1:4) P2RV-4-[]C | 32 output points | ![]() | 1,000 | P2RV-4-100C | PLC I/O Units with MIL connectors (1:4) CJ1W-OD232/OD262, etc. |
| 2,000 | P2RV-4-200C | ||||
| 3,000 | P2RV-4-300C | ||||
| 5,000 | P2RV-4-500C | ||||
| Cables with Connectors (1:4) P2RV-4-[]IMC | 32 input points | ![]() | 1,000 | P2RV-4-100IMC | PLC I/O Units with MIL connectors (1:4) CJ1W-ID232/ID262, etc. |
| 2,000 | P2RV-4-200IMC | ||||
| 3,000 | P2RV-4-300IMC | ||||
| 5,000 | P2RV-4-500IMC | ||||
| Cables with Connectors (1:4) P2RV-4-[]IFC | 32 input points | ![]() | 1,000 | P2RV-4-100IFC | PLC I/O Units with Fujitsu connectors (1:4) CJ1W-ID231/ID261, etc. |
| 2,000 | P2RV-4-200IFC | ||||
| 3,000 | P2RV-4-300IFC | ||||
| 5,000 | P2RV-4-500IFC | ||||
| Cables with Connectors (1:1) P2RV-A[]C-OMR GRT1 | 8 output points | ![]() | 500 | P2RV-A050C-OMR GRT1 | Slice I/O Units (1:1) For inputs: GRT1-ID8-1 For outputs: GRT1-OD8-1 |
| 1,000 | P2RV-A100C-OMR GRT1 | ||||
| 8 input points | 500 | P2RV-A050IC-OMR GRT1 | |||
| 1,000 | P2RV-A100IC-OMR GRT1 | ||||
| Cables with Connectors (1:1) P2RV-A[]C-OMR NX | 8 output points | ![]() | 500 | P2RV-A050C-OMR NX | PLC I/O Units with screw-less clamp terminal block (1:1) For inputs: NX-ID4442 For outputs: NX-OD4256 |
| 1,000 | P2RV-A100C-OMR NX | ||||
| 8 input points | 500 | P2RV-A050IC-OMR NX | |||
| 1,000 | P2RV-A100IC-OMR NX | ||||
| Schneider Electric PLC Connecting Cables P2RV-[]C-SCH-[] | 32 input points | ![]() | 500 | P2RV-050C-SCH-A | Schneider Electric PLCs with 32-point connectors (1:4) For inputs: 140 DDI 353 00 For outputs: 140 DDO 353 00 |
| 1,000 | P2RV-100C-SCH-A | ||||
| 2,000 | P2RV-200C-SCH-A | ||||
| 3,000 | P2RV-300C-SCH-A | ||||
| 5,000 | P2RV-500C-SCH-A | ||||
| 32 output points | 500 | P2RV-050C-SCH-B | |||
| 1,000 | P2RV-100C-SCH-B | ||||
| 2,000 | P2RV-200C-SCH-B | ||||
| 3,000 | P2RV-300C-SCH-B | ||||
| 5,000 | P2RV-500C-SCH-B | ||||
| 16 input points | ![]() | 500 | P2RV-050C-SCH-C | Schneider Electric PLCs with 16-point connectors (1:2) For inputs: BMX DDI 1602 For outputs: BMX DDO 1602 | |
| 1,000 | P2RV-100C-SCH-C | ||||
| 2,000 | P2RV-200C-SCH-C | ||||
| 3,000 | P2RV-300C-SCH-C | ||||
| 5,000 | P2RV-500C-SCH-C | ||||
| 16 output points | 500 | P2RV-050C-SCH-D | |||
| 1,000 | P2RV-100C-SCH-D | ||||
| 2,000 | P2RV-200C-SCH-D | ||||
| 3,000 | P2RV-300C-SCH-D | ||||
| 5,000 | P2RV-500C-SCH-D | ||||
| Siemens PLC Connecting Cables P2RV-[]C-SIM-[] | 32 input points | ![]() | 500 | P2RV-050C-SIM-A | Siemens PLCs with 32-point connectors (1:4) For inputs: 6ES7 321-1BL00-0AA0 For outputs: 6ES7 322-1BL00-0AA0 |
| 1,000 | P2RV-100C-SIM-A | ||||
| 2,000 | P2RV-200C-SIM-A | ||||
| 3,000 | P2RV-300C-SIM-A | ||||
| 5,000 | P2RV-500C-SIM-A | ||||
| 32 output points | 500 | P2RV-050C-SIM-B | |||
| 1,000 | P2RV-100C-SIM-B | ||||
| 2,000 | P2RV-200C-SIM-B | ||||
| 3,000 | P2RV-300C-SIM-B | ||||
| 5,000 | P2RV-500C-SIM-B | ||||
| 16 input points | ![]() | 500 | P2RV-050C-SIM-C | Siemens PLCs with 16-point connectors (1:2) For inputs: 6ES7 321-1BH02-0AA0 | |
| 1,000 | P2RV-100C-SIM-C | ||||
| 2,000 | P2RV-200C-SIM-C | ||||
| 3,000 | P2RV-300C-SIM-C | ||||
| 5,000 | P2RV-500C-SIM-C | ||||
| 32 input points | ![]() | 500 | P2RV-050C-SIM-D | Siemens PLCs with 32-point connectors (1:4) For inputs: 6ES7 421-1BL-0AA0 For outputs: 6ES7 422-1BL-0AA0 | |
| 1,000 | P2RV-100C-SIM-D | ||||
| 2,000 | P2RV-200C-SIM-D | ||||
| 3,000 | P2RV-300C-SIM-D | ||||
| 5,000 | P2RV-500C-SIM-D | ||||
| 32 output points | 500 | P2RV-050C-SIM-E | |||
| 1,000 | P2RV-100C-SIM-E | ||||
| 2,000 | P2RV-200C-SIM-E | ||||
| 3,000 | P2RV-300C-SIM-E | ||||
| 5,000 | P2RV-500C-SIM-E | ||||
last update: September 13, 2017
last update: December 14, 2018
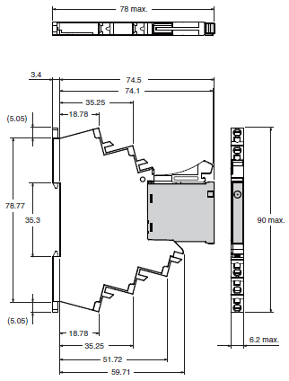
(Unit: mm)
Push-In Plus Terminal Block
G3RV-SR500
Note: For recommended ferrules, crimp tools, and types and gauges of wires,
refer to 3. Recommended Ferrules and Crimp Tools on Data Sheet.
Screw terminal
G3RV-SR700
Note: For recommended ferrules, crimp tools, and types and gauges of wires,
refer to 3. Recommended Ferrules and Crimp Tools on Data Sheet.
G3RV-D03SL
G3RV-202S(L)
Push-IN
P2RVC-8-I-5(-1)
P2RVC-8-O-5(-1)
Screw
P2RVC-8-I-7-1
P2RVC-8-O-7-1
Short Bars
PYDN-6.2-[][] (6.2 mm)
Separate Plate
XW5Z-EP12
last update: December 14, 2018