
OMRON V430-F Series Sensors
last update: May 14, 2018
Code readers using a mechanical focus mechanism generally break due to deterioration of the drive mechanism or motor when they perform autofocus tens of thousands of times. The V430-F Series, on the other hand, uses a liquid lens that does not need a drive mechanism or motor, providing unlimited autofocus and long life.
The liquid lens can flexibly change its focal length by applying voltage to change the internal oil and water shape. (a in down figure)
In addition, the V430-F Series precisely focuses on objects using the code search algorithm. (b in down figure)
The code stays in focus even when the reading distance is changed
The V430-F Series has pre-installed software for setup. There is no software to install or update.
You can easily troubleshoot using a PC or tablet with the browser-based interface.
*1. The tablet must be connected to a wireless LAN.
This function enables an in-line check of the relative quality change and the parameter where the change occurred.
ISO/IEC 15415
ISO/IEC 15416
ISO/IEC TR29158
(AIM DPM -1-2006) *2
ISO/IEC 16022
*2. Data Matrix only.
last update: May 14, 2018
If you have just landed here, this product OMRON V430-F Series Sensors,Sensors is offered online by Tianin FLD Technical Co.,Ltd. This is an online store providing Sensors at wholesale prices for consumers. You can call us or send enquiry, we would give you the prices, packing,deliverty and more detailed information on the V430-F Series We cooperate with DHL,TNT,FEDEX,UPS,EMS,etc.They guarantee to meet your needs in terms of time and money,even if you need your OMRON V430-F SeriesSensors tomorrow morning (aka overnight or next day air) on your desk, 2, 3 days or more.Note to international customers, YES, we ship worldwide.
Z4W-V LED Displacement Sensor/Features
FQ2 Smart Camera/Features
E2A3 Cylindrical Proximity Sensor/Features
CS1W-V680C11 / V680C12 CS Series ID Sensor Unit/Features
VT-X700-E / -L High-speed automated X-ray CT inspection system/Features
last update: November 1, 2018
| Appearance | Number of pixels | Field of view* | Reading distance* | Model |
|---|---|---|---|---|
![]() | 5 million pixels (Color) | Wide View | Autofocus 50 to 300 mm | V430-F000W50C |
| Middle View | V430-F000M50C | |||
| 1.2 million pixels (Monochrome) | Wide View | Autofocus 50 to 300 mm | V430-F000W12M | |
| Middle View | V430-F000M12M | |||
| Narrow View | Autofocus 40 to 150 mm | V430-F000N12M | ||
| 0.3 million pixels (Monochrome) | Middle View | Fixed Focus 50 mm | V430-F050M03M | |
| Fixed Focus 81 mm | V430-F081M03M | |||
| Fixed Focus 102 mm | V430-F102M03M |
* Refer to Read Ranges on catalog detail.
| Appearance | Type | Model |
|---|---|---|
![]() | L Bracket (It's possible to adjust the angle.) | V430-AM0 |
![]() | Mounting Block | V430-AM1 |
| Appearance | Type | Connecter | Length | Model |
|---|---|---|---|---|
![]() | I/O Cables | Straight | 3 m | V430-W8-3M |
| Straight | 5 m | V430-W8-5M | ||
| Right angle down *1 | 3 m | V430-W8LD-3M | ||
| Right angle up *1 | 3 m | V430-W8LU-3M | ||
![]() | Ethernet Cables | Straight | 3 m | V430-WE-3M |
| Straight | 5 m | V430-WE-5M | ||
| Right angle down *1 | 3 m | V430-WELD-3M | ||
| Right angle up *1 | 3 m | V430-WELU-3M | ||
![]() | Cordset, M12 12-Pin Socket to DB9 Socket with M12 12-Pin Plug | Straight | 3 m | V430-W2-3M |
*1. The orientation of connectors are shown below.
*2. Connect V430-W8 to I/O connector (M12 12-pin plug) and connect to a power supply.
| Appearance | Type | Model |
|---|---|---|
![]() | Front Window (for replacement) | V430-AF0 |
![]() | Diffuser | V430-AF1 |
![]() | Polarizer | V430-AF2 |
![]() | Right Angle Mirror | V430-AF3 |
last update: November 1, 2018
| Catalog Name | Catalog Number [size] | Last Update | |
|---|---|---|---|
| | Q258-E1-03 [1982KB] | Dec 06, 201820181206 | V430-F Data Sheet |
| | Q262-E1-01 [1132KB] | May 14, 201820180514 | V430-F Catalog |
last update: December 6, 2018
| Model | V430-F000[]50C | V430-F000[]12M | V430-F[][][]M03M | |
|---|---|---|---|---|
| Applicable codes *1 | Bar code | Code 39, Code 128, BC412, ITF (Interleaved 2 of 5), EAN/UPC, Codabar, Code 93, Pharmacode, PLANET, POSTNET, Japanese Post, Australian Post, Royal Mail, Intelligent Mail, KIX, UPU, GS1 Databar (Composite) | ||
| 2D code | DataMatrix (ECC000-ECC200), GS1 DataMatrix, QR Code, Micro QR Code, Aztec Code, DotCode, PDF417, Micro PDF417, GS1 Databar (Stacked) | |||
| Reading performance *2 | Number of reading digits | No upper limit (depends on bar width and reading distance) | ||
| Aiming light | Two Blue LEDs | |||
| Light source | Inner LEDs: Four White and Four Red LEDs (wave length: 625 nm) | |||
| Outer LEDs: Eight White LEDs | Outer LEDs: Eight Red LEDs (wave length: 617 nm) | Outer LEDs: Eight Red LEDs (wave length: 617 nm) | ||
| Reading distance/ Field of view | Refer to Read Ranges on catalog for detail. | |||
| Pitch angle (α) | ±30° | |||
| Skew angle (β) | ±30° | |||
| Tilt angle (γ) | ±180° | |||
| Image capture device | Effective pixels | 2592 (H) x 1944 (V) | 1280 (H) x 960 (V) | 752 (H) x 480 (V) |
| Color/ Monochrome | Color CMOS | Monochrome CMOS | Monochrome CMOS | |
| Shutter Method | Rolling shutter | Global shutter | Global shutter | |
| Frame Rate | 5 fps | 42 fps | 60 fps | |
| Shutter Speed | 50 us to 100 ms | |||
| Image logging | FTP | |||
| Reading trigger | External trigger (edge, level), Trigger by command (Ethernet, RS-232C) | |||
| I/O specifications | Input signals | Trigger, New Master: 4.5 to 28 V rated (10 mA at 28 VDC) | ||
| Output signals | Output1, Output2, Output3: 1 to 28 V rated (100 mA Max. at 24 VDC) | |||
| Communication specification | RS-232C, Ethernet TCP/IP, EtherNet/IP™ | |||
| Ethernet specifications | 100BASE-TX/10BASE-T | |||
| Indicator Lamps | PASS (Green), TRIG (Amber), MODE (Amber), LINK (Amber), FAIL (Red), PWR (Green) | |||
| Power voltage | 5.0 to 30.0 VDC (including ripple) | |||
| Consumption current | 0.18 A (typ.) (at 24 VDC) | |||
| Environmental specifications | Ambient temperature range | Operating: 0 to 40°C, Storage: -50 to +75°C (with no icing or condensation) | ||
| Ambient humidity range | Operating: 5 to 85%RH, Storage: 5 to 85%RH (with no condensation) | |||
| Ambient atmosphere | No corrosive gases | |||
| Vibration Resistance (destruction) | 10 to 55 Hz, double amplitude: 0.35 mm, X/Y/Z directions, 10 cycles/axis | |||
| Shock resistance (destruction) | 150 m/s2, 3 times in each X/Y/Z directions | |||
| Degree of protection | IEC 60529 IP67 | |||
| Weight | Main body only | Approx. 68 g | ||
| Packing weight | Approx. 174 g (including packing) | |||
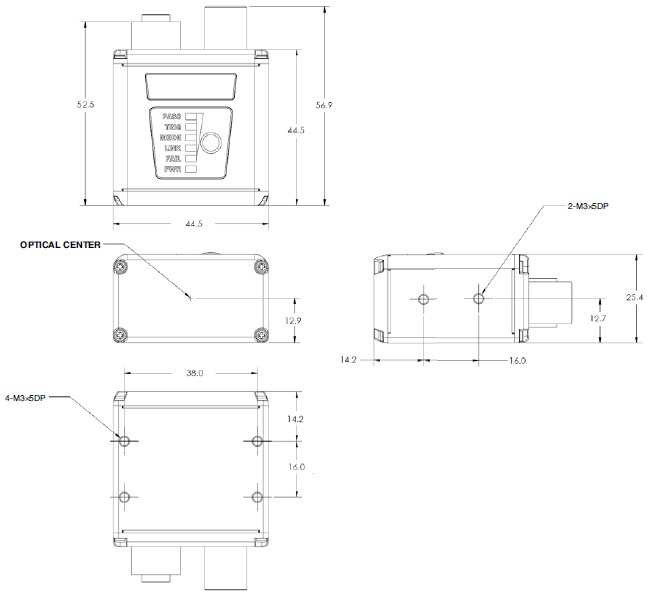
| Dimensions | Main body Dimension | 44.5 (W) × 44.5 (D) × 25.4 (H) mm | ||
| Packing Dimension | 170 (W) × 117 (D) × 86 (H) mm | |||
| Accessories | Instruction manual ("Read me first"), Compliance Sheet (CE) | |||
| LED class | Risk Group Exempt (IEC 62471-1) | |||
| Safety standards | EN61326-1: 2013 FCC Part 15, Subpart B (Class A) KC CISPR 11, IEC 61000-4-2: 2008 UL60950-1 RCM, EAC | |||
| Material | Case | Aluminum diecast, alumite (black) | ||
| Reading window | Acrylic | |||
*1. These are the code types supported based on Omron’s read capability validation standard. It is recommended that the customer do its own validation in its actual work environment.
*2. Unless otherwise specified, the reading performance is defined with center of field of view, angle R=∞.
last update: December 6, 2018
last update: May 14, 2018
(Unit: mm)
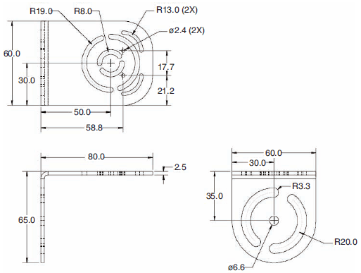
V430-F
L Bracket
V430-AM0
Material: SUS304
Accessories: Phillips-HeadScrews (M3×6) (2)
Washer (2)
The following accessories are not used with the V430-F Series:
Phillips-Head Screws (M2×6) (2)
Washers for M2 Screws (2)
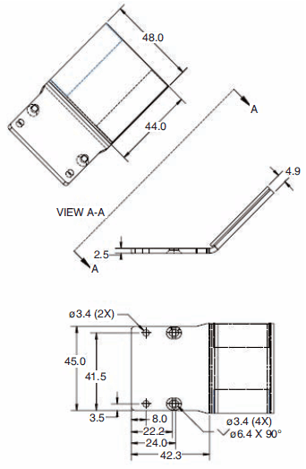
Mounting Block
V430-AM1
Material: Aluminum alloy
Accessories: Cap Screws (M3×6) (2)
The following accessories are not used with the V430-F Series:
Cap Screws (M2×8) (2)
Right Angle Mirror
V430-AF3
Material: Bracket: Aluminum
Mirror
Cordset, M12 8-Pin Plug to RJ45 Ethernet
3 m Straight
V430-WE-3M
Cordset, M12 8-Pin Plug to RJ45 Ethernet
3 m Right angle down
V430-WELD-3M
Cordset, M12 8-Pin Plug to RJ45 Ethernet
3 m Right angle up
V430-WELU-3M
Cordset, M12 8-Pin Plug to RJ45 Ethernet
5 m Straight
V430-WE-5M
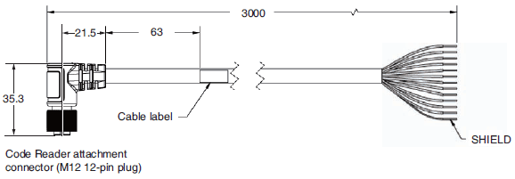
Cordset, M12 12-Pin Socket to Flying Leads
3 m Straight
V430-W8-3M
Cordset, M12 12-Pin Socket to Flying Leads
3 m Right angle down
V430-W8LD-3M
Cordset, M12 12-Pin Socket to Flying Leads
3 m Right angle up
V430-W8LU-3M
Cordset, M12 12-Pin Socket to Flying Leads
5 m Straight
V430-W8-5M
3 m Straight
V430-W2-3M
last update: May 14, 2018