
OMRON D4N Safety Components
last update: December 1, 2016
• Lineup includes models with 1NC/1NO, 2NC, 2NC/1NO and 3NC contact forms.
(Slow-action models with MBB contacts are available.)
• M12-connector models are also available, saving on labor and simplifying replacement.
• Standardized gold-clad contacts provide high contact reliability.
Can be used with both standard loads and microloads.
• Conforms to the requirements for safety contacts in EN 115-1, EN 81-20, and EN 81-50 (slow-action models only).
• Certified standards: UL, EN (TÜV), and CCC
last update: December 1, 2016
If you have just landed here, this product OMRON D4N Safety Components,Safety Components is offered online by Tianin FLD Technical Co.,Ltd. This is an online store providing Safety Components at wholesale prices for consumers. You can call us or send enquiry, we would give you the prices, packing,deliverty and more detailed information on the D4N We cooperate with DHL,TNT,FEDEX,UPS,EMS,etc.They guarantee to meet your needs in terms of time and money,even if you need your OMRON D4NSafety Components tomorrow morning (aka overnight or next day air) on your desk, 2, 3 days or more.Note to international customers, YES, we ship worldwide.
E3Z-LT / LR / LL Compact Laser Photoelectric Sensor with Built-in Amplifier/Features
E6B2-C Incremental 40-mm-dia. Rotary Encoder/Features
CRT1-VAD04[][] / VDA02[][] Analog I/O Slave Units with MIL Connectors/e-CON Connectors/Features
Viper 650 Articulated Robots/Features
ZN-THX21-S Thermo-Humidity Station/Features
| Catalog Name | Catalog Number [size] | Last Update | |
|---|---|---|---|
| | - [5836KB] | Dec 01, 201620161201 | D4N Data Sheet |
last update: February 01, 2016
Consult with your OMRON representative when ordering any models that are not listed in this table.
| Actuator | Conduit size | Built-in switch mechanism | ||||
|---|---|---|---|---|---|---|
| 1NC/1NO (Snap-action) | 2NC (Snap-action) | 1NC/1NO (Slow-action) | 2NC (Slow-action) | |||
| Model | Model | Model | Model | |||
| Roller lever (resin lever, resin roller) ![]() | 1-conduit | Pg13.5 | D4N-1120 | D4N-1220 | D4N-1A20 | D4N-1B20 |
| G1/2 | D4N-2120 | D4N-2220 | D4N-2A20 | D4N-2B20 | ||
| M20 | D4N-4120 | D4N-4220 | D4N-4A20 | D4N-4B20 | ||
| M12 connector | D4N-9120 | D4N-9220 | D4N-9A20 | D4N-9B20 | ||
| 2-conduit | G1/2 | D4N-6120 | D4N-6220 | D4N-6A20 | D4N-6B20 | |
| M20 | D4N-8120 | D4N-8220 | D4N-8A20 | D4N-8B20 | ||
| Roller lever (metal lever, resin roller) ![]() | 1-conduit | Pg13.5 | D4N-1122 | D4N-1222 | D4N-1A22 | D4N-1B22 |
| G1/2 | D4N-2122 | D4N-2222 | D4N-2A22 | D4N-2B22 | ||
| M20 | D4N-4122 | D4N-4222 | D4N-4A22 | D4N-4B22 | ||
| M12 connector | D4N-9122 | D4N-9222 | D4N-9A22 | D4N-9B22 | ||
| 2-conduit | G1/2 | D4N-6122 | D4N-6222 | D4N-6A22 | D4N-6B22 | |
| M20 | D4N-8122 | D4N-8222 | D4N-8A22 | D4N-8B22 | ||
| Roller lever (metal lever, metal roller) ![]() | 1-conduit | Pg13.5 | D4N-1125 | D4N-1225 | D4N-1A25 | D4N-1B25 |
| G1/2 | D4N-2125 | D4N-2225 | D4N-2A25 | D4N-2B25 | ||
| M20 | D4N-4125 | D4N-4225 | D4N-4A25 | D4N-4B25 | ||
| M12 connector | D4N-9125 | D4N-9225 | D4N-9A25 | D4N-9B25 | ||
| Roller lever (metal lever, bearing roller) ![]() | 1-conduit | Pg13.5 | D4N-1126 | D4N-1226 | D4N-1A26 | D4N-1B26 |
| G1/2 | D4N-2126 | D4N-2226 | D4N-2A26 | D4N-2B26 | ||
| M20 | D4N-4126 | D4N-4226 | D4N-4A26 | D4N-4B26 | ||
| M12 connector | D4N-9126 | D4N-9226 | D4N-9A26 | D4N-9B26 | ||
| Adjustable roller lever, form lock (metal lever, resin roller) ![]() | 1-conduit | Pg13.5 | D4N-112G | D4N-122G | D4N-1A2G | D4N-1B2G |
| G1/2 | D4N-212G | D4N-222G | D4N-2A2G | D4N-2B2G | ||
| M20 | D4N-412G | D4N-422G | D4N-4A2G | D4N-4B2G | ||
| M12 connector | D4N-912G | D4N-922G | D4N-9A2G | D4N-9B2G | ||
| 2-conduit | G1/2 | D4N-612G | D4N-622G | D4N-6A2G | D4N-6B2G | |
| M20 | D4N-812G | D4N-822G | D4N-8A2G | D4N-8B2G | ||
| Adjustable roller lever, form lock (metal lever, rubber roller) ![]() | 1-conduit | Pg13.5 | D4N-112H | D4N-122H | D4N-1A2H | D4N-1B2H |
| G1/2 | D4N-212H | D4N-222H | D4N-2A2H | D4N-2B2H | ||
| M20 | D4N-412H | D4N-422H | D4N-4A2H | D4N-4B2H | ||
| M12 connector | D4N-912H | D4N-922H | D4N-9A2H | D4N-9B2H | ||
| 2-conduit | G1/2 | D4N-612H | D4N-622H | D4N-6A2H | D4N-6B2H | |
| M20 | D4N-812H | D4N-822H | D4N-8A2H | D4N-8B2H | ||
Plunger![]() | 1-conduit | Pg13.5 | D4N-1131 | D4N-1231 | D4N-1A31 | D4N-1B31 |
| G1/2 | D4N-2131 | D4N-2231 | D4N-2A31 | D4N-2B31 | ||
| M20 | D4N-4131 | D4N-4231 | D4N-4A31 | D4N-4B31 | ||
| M12 connector | D4N-9131 | D4N-9231 | D4N-9A31 | D4N-9B31 | ||
| 2-conduit | G1/2 | D4N-6131 | D4N-6231 | D4N-6A31 | D4N-6B31 | |
| M20 | D4N-8131 | D4N-8231 | D4N-8A31 | D4N-8B31 | ||
Roller plunger![]() | 1-conduit | Pg13.5 | D4N-1132 | D4N-1232 | D4N-1A32 | D4N-1B32 |
| G1/2 | D4N-2132 | D4N-2232 | D4N-2A32 | D4N-2B32 | ||
| M20 | D4N-4132 | D4N-4232 | D4N-4A32 | D4N-4B32 | ||
| M12 connector | D4N-9132 | D4N-9232 | D4N-9A32 | D4N-9B32 | ||
| 2-conduit | G1/2 | D4N-6132 | D4N-6232 | D4N-6A32 | D4N-6B32 | |
| M20 | D4N-8132 | D4N-8232 | D4N-8A32 | D4N-8B32 | ||
| One-way roller arm lever (horizontal) ![]() | 1-conduit | Pg13.5 | D4N-1162 | D4N-1262 | D4N-1A62 | D4N-1B62 |
| G1/2 | D4N-2162 | D4N-2262 | D4N-2A62 | D4N-2B62 | ||
| M20 | D4N-4162 | D4N-4262 | D4N-4A62 | D4N-4B62 | ||
| M12 connector | D4N-9162 | D4N-9262 | D4N-9A62 | D4N-9B62 | ||
| 2-conduit | G1/2 | D4N-6162 | D4N-6262 | D4N-6A62 | D4N-6B62 | |
| M20 | D4N-8162 | D4N-8262 | D4N-8A62 | D4N-8B62 | ||
| One-way roller arm lever (vertical) ![]() | 1-conduit | Pg13.5 | D4N-1172 | D4N-1272 | D4N-1A72 | D4N-1B72 |
| G1/2 | D4N-2172 | D4N-2272 | D4N-2A72 | D4N-2B72 | ||
| M20 | D4N-4172 | D4N-4272 | D4N-4A72 | D4N-4B72 | ||
| M12 connector | D4N-9172 | D4N-9272 | D4N-9A72 | D4N-9B72 | ||
| 2-conduit | G1/2 | D4N-6172 | D4N-6272 | D4N-6A72 | D4N-6B72 | |
| M20 | D4N-8172 | D4N-8272 | D4N-8A72 | D4N-8B72 | ||
| Actuator | Conduit size | Built-in switch mechanism | ||||
|---|---|---|---|---|---|---|
| 2NC/1NO (Slow-action) | 3NC (Slow-action) | 1NC/1NO MBB (Slow-action) | 2NC/1NO MBB (Slow-action) | |||
| Model | Model | Model | Model | |||
| Roller lever (resin lever, resin roller) ![]() | 1-conduit | Pg13.5 | D4N-1C20 | D4N-1D20 | D4N-1E20 | D4N-1F20 |
| G1/2 | D4N-2C20 | D4N-2D20 | D4N-2E20 | D4N-2F20 | ||
| M20 | D4N-4C20 | D4N-4D20 | D4N-4E20 | D4N-4F20 | ||
| M12 connector | --- | --- | D4N-9E20 | --- | ||
| 2-conduit | G1/2 | D4N-6C20 | D4N-6D20 | D4N-6E20 | D4N-6F20 | |
| M20 | D4N-8C20 | D4N-8D20 | D4N-8E20 | D4N-8F20 | ||
| Roller lever (metal lever, resin roller) ![]() | 1-conduit | Pg13.5 | D4N-1C22 | D4N-1D22 | D4N-1E22 | D4N-1F22 |
| G1/2 | D4N-2C22 | D4N-2D22 | D4N-2E22 | D4N-2F22 | ||
| M20 | D4N-4C22 | D4N-4D22 | D4N-4E22 | D4N-4F22 | ||
| M12 connector | --- | --- | D4N-9E22 | --- | ||
| 2-conduit | G1/2 | D4N-6C22 | D4N-6D22 | D4N-6E22 | D4N-6F22 | |
| M20 | D4N-8C22 | D4N-8D22 | D4N-8E22 | D4N-8F22 | ||
| Roller lever (metal lever, metal roller) ![]() | 1-conduit | Pg13.5 | D4N-1C25 | D4N-1D25 | D4N-1E25 | D4N-1F25 |
| G1/2 | D4N-2C25 | D4N-2D25 | D4N-2E25 | D4N-2F25 | ||
| M20 | D4N-4C25 | D4N-4D25 | D4N-4E25 | D4N-4F25 | ||
| M12 connector | --- | --- | D4N-9E25 | --- | ||
| Roller lever (metal lever, bearing roller) ![]() | 1-conduit | Pg13.5 | D4N-1C26 | D4N-1D26 | D4N-1E26 | D4N-1F26 |
| G1/2 | D4N-2C26 | D4N-2D26 | D4N-2E26 | D4N-2F26 | ||
| M20 | D4N-4C26 | D4N-4D26 | D4N-4E26 | D4N-4F26 | ||
| M12 connector | --- | --- | D4N-9E26 | --- | ||
| Adjustable roller lever, form lock (metal lever, resin roller) ![]() | 1-conduit | Pg13.5 | D4N-1C2G | D4N-1D2G | D4N-1E2G | D4N-1F2G |
| G1/2 | D4N-2C2G | D4N-2D2G | D4N-2E2G | D4N-2F2G | ||
| M20 | D4N-4C2G | D4N-4D2G | D4N-4E2G | D4N-4F2G | ||
| M12 connector | --- | --- | D4N-9E2G | --- | ||
| 2-conduit | G1/2 | D4N-6C2G | D4N-6D2G | D4N-6E2G | D4N-6F2G | |
| M20 | D4N-8C2G | D4N-8D2G | D4N-8E2G | D4N-8F2G | ||
| Adjustable roller lever, form lock (metal lever, rubber roller) ![]() | 1-conduit | Pg13.5 | D4N-1C2H | D4N-1D2H | D4N-1E2H | D4N-1F2H |
| G1/2 | D4N-2C2H | D4N-2D2H | D4N-2E2H | D4N-2F2H | ||
| M20 | D4N-4C2H | D4N-4D2H | D4N-4E2H | D4N-4F2H | ||
| M12 connector | --- | --- | D4N-9E2H | --- | ||
| 2-conduit | G1/2 | D4N-6C2H | D4N-6D2H | D4N-6E2H | D4N-6F2H | |
| M20 | D4N-8C2H | D4N-8D2H | D4N-8E2H | D4N-8F2H | ||
Plunger ![]() | 1-conduit | Pg13.5 | D4N-1C31 | D4N-1D31 | D4N-1E31 | D4N-1F31 |
| G1/2 | D4N-2C31 | D4N-2D31 | D4N-2E31 | D4N-2F31 | ||
| M20 | D4N-4C31 | D4N-4D31 | D4N-4E31 | D4N-4F31 | ||
| M12 connector | --- | --- | D4N-9E31 | --- | ||
| 2-conduit | G1/2 | D4N-6C31 | D4N-6D31 | D4N-6E31 | D4N-6F31 | |
| M20 | D4N-8C31 | D4N-8D31 | D4N-8E31 | D4N-8F31 | ||
Roller plunger ![]() | 1-conduit | Pg13.5 | D4N-1C32 | D4N-1D32 | D4N-1E32 | D4N-1F32 |
| G1/2 | D4N-2C32 | D4N-2D32 | D4N-2E32 | D4N-2F32 | ||
| M20 | D4N-4C32 | D4N-4D32 | D4N-4E32 | D4N-4F32 | ||
| M12 connector | --- | --- | D4N-9E32 | --- | ||
| 2-conduit | G1/2 | D4N-6C32 | D4N-6D32 | D4N-6E32 | D4N-6F32 | |
| M20 | D4N-8C32 | D4N-8D32 | D4N-8E32 | D4N-8F32 | ||
| One-way roller arm lever (horizontal) ![]() | 1-conduit | Pg13.5 | D4N-1C62 | D4N-1D62 | D4N-1E62 | D4N-1F62 |
| G1/2 | D4N-2C62 | D4N-2D62 | D4N-2E62 | D4N-2F62 | ||
| M20 | D4N-4C62 | D4N-4D62 | D4N-4E62 | D4N-4F62 | ||
| M12 connector | --- | --- | D4N-9E62 | --- | ||
| 2-conduit | G1/2 | D4N-6C62 | D4N-6D62 | D4N-6E62 | D4N-6F62 | |
| M20 | D4N-8C62 | D4N-8D62 | D4N-8E62 | D4N-8F62 | ||
| One-way roller arm lever (vertical) ![]() | 1-conduit | Pg13.5 | D4N-1C72 | D4N-1D72 | D4N-1E72 | D4N-1F72 |
| G1/2 | D4N-2C72 | D4N-2D72 | D4N-2E72 | D4N-2F72 | ||
| M20 | D4N-4C72 | D4N-4D72 | D4N-4E72 | D4N-4F72 | ||
| M12 connector | --- | --- | D4N-9E72 | --- | ||
| 2-conduit | G1/2 | D4N-6C72 | D4N-6D72 | D4N-6E72 | D4N-6F72 | |
| M20 | D4N-8C72 | D4N-8D72 | D4N-8E72 | D4N-8F72 | ||
| Actuator | Conduit size | Built-in switch mechanism | |||||
|---|---|---|---|---|---|---|---|
| 1NC/1NO (Snap-action) | 2NC (Snap-action) | 1NC/1NO (Slow-action) | 2NC (Slow-action) | ||||
| Model | Model | Model | Model | ||||
| Fork lever lock (right operation) | ![]() | 1-conduit | G1/2 | --- | --- | D4N-2ARE | D4N-2BRE |
| M20 | D4N-4ARE | D4N-4BRE | |||||
| Fork lever lock (left operation) | ![]() | G1/2 | D4N-2ALE | D4N-2BLE | |||
| M20 | D4N-4ALE | D4N-4BLE | |||||
| Cat whisker | ![]() | G1/2 | D4N-2180 | D4N-2280 | --- | D4N-2B80 | |
| M20 | D4N-4180 | D4N-4280 | D4N-4B80 | ||||
| Plastic rod | ![]() | G1/2 | D4N-2187 | D4N-2287 | D4N-2B87 | ||
| M20 | D4N-4187 | D4N-4287 | D4N-4B87 | ||||
Note: Mechanically speaking, these models are general-purpose switches with no direct opening mechanism.
| Actuator | Conduit size | Built-in switch mechanism | |||||
|---|---|---|---|---|---|---|---|
| 2NC/1NO (Slow-action) | 3NC (Slow-action) | 1NC/1NO MBB (Slow-action) | 2NC/1NO MBB (Slow-action) | ||||
| Model | Model | Model | Model | ||||
| Fork lever lock (right operation) | ![]() | 1-conduit | G1/2 | D4N-2CRE | D4N-2DRE | D4N-2ERE | D4N-2FRE |
| M20 | D4N-4CRE | D4N-4DRE | D4N-4ERE | D4N-4FRE | |||
| Fork lever lock (left operation) | ![]() | G1/2 | D4N-2CLE | D4N-2DLE | D4N-2ELE | D4N-2FLE | |
| M20 | D4N-4CLE | D4N-4DLE | D4N-4ELE | D4N-4FLE | |||
| Cat whisker | ![]() | G1/2 | --- | D4N-2D80 | --- | --- | |
| M20 | D4N-4D80 | ||||||
| Plastic rod | ![]() | G1/2 | D4N-2D87 | ||||
| M20 | D4N-4D87 | ||||||
Note: Mechanically speaking, these models are general-purpose switches with no direct opening mechanism.
last update: February 01, 2016
last update: September 24, 2012
| Degree of protection *1 | IP67 (EN60947-5-1) | |
|---|---|---|
| Durability *2 | Mechanical | 15,000,000 operations min. *5 |
| Electrical | 500,000 operations min. (3 A resistive load at 250 VAC) *3 300,000 operations min. (10 A resistive load at 250 VAC) | |
| Operating speed | 1 to 500 mm/s (D4N-1120) | |
| Operating frequency | 30 operations/minute max. | |
| Contact resistance | 25 mΩ max. | |
| Minimum applicable load *4 | 1 mA resistive load at 5 VDC (N-level reference value) | |
| Rated insulation voltage (Ui) | 300 V | |
| Rated frequency | 50/60 Hz | |
| Protection against electric shock | Class II (double insulation) | |
| Pollution degree (operating environment) | 3 (EN60947-5-1) | |
| Impulse withstand voltage (EN60947-5-1) | Between terminals of same polarity | 2.5 kV |
| Between terminals of different polarity | 4 kV | |
| Between each terminal and non- current carrying metallic parts | 6 kV | |
| Insulation resistance | 100 MΩ min. | |
| Contact gap | Snap-action: 2 × 0.5 mm min. Slow-action: 2 × 2 mm min. | |
| Vibration resistance | Malfunction | 10 to 55 Hz, 0.75 mm single amplitude |
| Shock resistance | Destruction | 1,000 m/s2 min. |
| Malfunction | 300 m/s2 min. | |
| Conditional short-circuit current | 100 A (EN60947-5-1) | |
| Conventional free air thermal current (Ith) | 10 A (EN60947-5-1) | |
| Ambient operating temperature | -30 to 70°C (with no icing) | |
| Ambient operating humidity | 95% max. | |
| Weight | Approx. 82 g (D4N-1120) Approx. 99 g (D4N-6120) | |
Note: 1. The above values are initial values.
2. Once a contact has been used to switch a standard load, it cannot be used for a load of a smaller capacity.
Doing so may result in roughening of the contact surface and contact reliability may be lost.
*1. The degree of protection is tested using the method specified by the standard (EN60947-5-1). Confirm that sealing
properties are sufficient for the operating conditions and environment beforehand. Although the switch box is
protected from dust or water penetration, do not use the D4N in places where foreign material such as dust, dirt, oil,
water, or chemicals may penetrate through the head. Otherwise, accelerated wear, Switch damage or malfunctioning
may occur.
*2. The durability is for an ambient temperature of 5 to 35°C and an ambient humidity of 40% to 70%. For more details,
consult your OMRON representative.
*3. Do not pass the 3 A, 250 VAC load through more than 2 circuits.
*4. This value will vary with the switching frequency, environment, and reliability level. Confirm that correct operation is
possible with the actual load beforehand.
*5. The mechanical durability of fork lever lock models is 10,000,000 operations min.
last update: September 24, 2012
last update: October 09, 2013
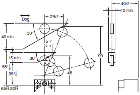
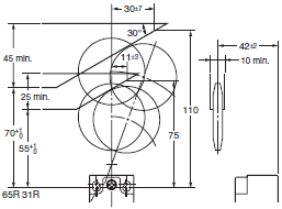
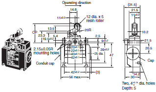
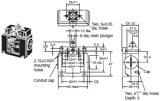
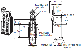
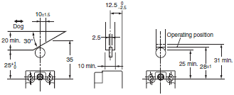
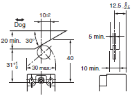
Note: Unless otherwise specified, a tolerance of ±0.4 mm applies to all dimensions.
* Refer to following diagrams for details on M12 connectors.
Note: Variation occurs in the simultaneity of contact opening/closing operations of 2NC, 2NC/1NO, and 3NC contacts. Check contact operation.
*1. Only for snap-action models.
*2. Reference value.
*3. For safe use, always make sure that the minimum values or greater are provided.
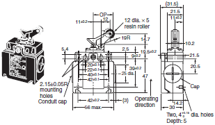
*1. Reference values.
*2. Only for MBB models. (D4N-[]E[][] or D4N-[]F[][])
*3. For safe use, always make sure that the minimum values or greater are provided.
* Refer to following diagrams for details on M12 connectors.
Note: Variation occurs in the simultaneity of contact opening/closing operations of 2NC, 2NC/1NO, and 3NC contacts.
Check contact operation.
*1. Only for snap-action models.
*2. Reference value.
*3. For safe use, always make sure that the minimum values or greater are provided.
*1. Reference values.
*2. Only for MBB models. (D4N-[]E[][] or D4N-[]F[][])
*3. For safe use, always make sure that the minimum values or greater are provided.
* Refer to following diagrams for details on M12 connectors.
Note: Variation occurs in the simultaneity of contact opening/closing operations of 2NC, 2NC/1NO, and 3NC contacts. Check contact operation.
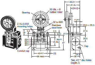
*1. The operating characteristics of these Switches were measured with the roller lever set at 32 mm.
*2. Only for snap-action models.
*3. Reference value.
*4. For safe use, always make sure that the minimum values or greater are provided.
*1. The operating characteristics of these Switches were measured with the roller lever set at 32 mm.
*2. Reference values.
*3. Only for MBB models. (D4N-[]E[][] or D4N-[]F[][])
*4. For safe use, always make sure that the minimum values or greater are provided.
*1. The usable range for stainless steel wires and resin rods is 35 mm max. from the end with a total travel of 70 mm
max.
*2. In terms of construction, the Switch is a General-purpose Limit Switch rather than a Safety Limit Switch.
Note: Variation occurs in the simultaneity of contact opening/closing operations of 2NC, 2NC/1NO, and 3NC contacts. Check contact operation.
Note: Variation occurs in the simultaneity of contact opening/closing operations of 2NC, 2NC/1NO, and 3NC contacts. Check contact operation.
*1. Only for snap-action models.
*2. Reference value.
*3. For safe use, always make sure that the minimum values or greater are provided.
*1. Reference values.
*2. Only for MBB models. (D4N-[]E[][] or D4N-[]F[][])
*3. For safe use, always make sure that the minimum values or greater are provided.
Note: Variation occurs in the simultaneity of contact opening/closing operations of 2NC, 2NC/1NO, and 3NC contacts. Check contact operation.
*1. The operating characteristics of these Switches were measured with the roller lever set at 30 mm.
*2. The operating characteristics of these Switches were measured with the roller lever set at 31 mm.
*3. Only for snap-action models.
*4. Reference value.
*5. For safe use, always make sure that the minimum values or greater are provided.
*1. The operating characteristics of these Switches were measured with the roller lever set at 30 mm.
*2. The operating characteristics of these Switches were measured with the roller lever set at 31 mm.
*3. Reference values.
*4. Only for MBB models. (D4N-[]E[][] or D4N-[]F[][])
*5. For safe use, alw
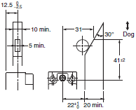
Refer to the following for the angles and positions of the watchdogs (source: EN50047.)
last update: October 09, 2013