
OMRON NX-CSG / SL5 / SI / SO Safety Components
last update: March 1, 2019
Production systems have to meet worldwide standards because of the globalization of production.
CIP Safety is a protocol for transmitting safety data via EtherNet/IP that is adopted by factory automation and robot manufacturers all over the world. Using CIP Safety, you can build globally standardized networks and simplify the global procurement of production systems.
Safety systems for industrial robots are becoming increasingly used; networks can be easily built with the NX-CSG Communication Control Unit and NX-SL5 Safety CPU Units which support CIP Safety.
Multiple network ports enable a safety network to be divided into several segments, making it easy to connect many network devices required for a large production line. This allows flexibility to add or remove devices from existing safety systems.
Safety control between lines : Port 1
Robot control within process : Port 2A, 2B
The NX-CSG320 Communication Control Unit and NX-SL5 Safety CPU Unit provide safety communications via CIP safety and at the same time provides local high-speed safety I/O control. With a local I/O response time as low as every 50 ms, the NX-SL5 Safety CPU Unit can be used for applications where a high level of responsiveness is required.
* Calculate the response speed of your system taking the performance of I/O devices into consideration. Refer to the manual for details.
In this example, devices and machines communicate via EtherNet/IP and CIP Safety in this system.
Each process includes robots, safety light curtains, emergency stop switches, and other safety components. The NX-CSG Communication Control Unit and NX-SL5 Safety CPU Unit execute safety control programs in each process. CIP Safety is used for safety interlocking between processes and for building a safety control network across the system.
CIP Safety allows safety devices and standard devices to be mixed on the same network, providing safety interlock control between machines. CIP Safety robots and remote I/O terminals can be easily connected.
The NX-CSG320 Communication Control Unit and NX-SL5 Safety CPU Unit exchange interlock signals with other machines while implementing safety control within the machine. Programs for machine control and safety control can be created for each machine. This modularized design helps standardize design and improve design efficiency.
Machine 1 and 3 are processing machines with the control program and safety control program for each machine.
Machine 2 is a material handling machine that transports products processed by Machine 1 and 3 to the next process. The NX-CSG320 Communication Control Unit and NX-SL5 Safety CPU Unit are used for all machines, and CIP Safety is used for safety interlocking between machines.
The NX-SL5 Safety CPU Unit connected with the NX102 Machine Automation Controller enables the use of both EtherCAT + FSoE (Safety over EtherCAT) and EtherNet/IP + CIP Safety at the same time.
In addition to interlock control within a machine via FSoE, safety interlock between machines can be implemented using CIP Safety.
The NX-SL5 Safety CPU Unit combination with the NX102 Machine Automation Controller , provides both safety control and machine control with fast cycle times.
By mounting the NX-SL Safety CPU Unit and safety I/O units to the NX102 and by connecting the servo drives via FSoE on EtherCAT, you can configure a simple motion and safety control system using high-speed networks.
The NX102 Machine Automation Controller and NX-SL5 Safety CPU Unit are used in Machine 1 and 2 to build a system with safety network and real-time control capabilities using EtherCAT. The machine status is reported to the host system and displayed on the HMI connected on the same network.
The Automation Software Sysmac Studio provides various functionalities to reduce time required for production system design and safety program verification.
Create a truth table using input, output, and stop conditions of safety devices to automatically create a safety program for a simple machine.
* Programs created by Automatic Programming will not guarantee functional safety.
Refer to the User's Manual (Cat. No. Z395) for details.
Programs can be easily converted into a user-defined function block (FB); help files can be attached to describe input and output conditions as well as the functionality of the program within the function block (FB). Different security levels can be set to protect the function block from viewing and unauthorized modifications.
* User-defined FBs can be used as modular software components according to the hardware configuration. They help standardize programs and maintain the consistency of design quality.
Programs can be simulated on your PC, Sysmac Studio allows verification of programs without connecting hardware.
Online Functional Test enables operation of safety functions to be checked when the NX-SL5 Safety CPU Unit is online with Sysmac Studio. The test results can be output as a report along with the safety signature; the safety signature is displayed on the seven-segment display of the NX-SL5 Safety CPU Unit, and can easily checked if the configuration matches the report after the program has been validated.
No PC is required for maintenance, which reduces production system maintenance work and minimizes system downtime.
An SD card containing logging settings is used for Safety Data Logging.
When start trigger conditions are met, the specified device variables and exposed variables can be logged in a chronological order and output to the memory card.
This function helps to quickly identify the cause of a sudden stoppage of the system and determine preventive measures.
Programs and settings can be stored on an SD card inserted into the communication control unit. When the safety CPU unit is replaced, the stored programs and settings can be easily copied to a new unit using the SD card.
When replacing a safety I/O unit, just remove the old unit and mount a new one. The setting data is automatically downloaded. When replacing a safety I/O terminal, remove the memory cassette from the old terminal and install it into the new terminal to inherit the settings. No software is required. (See catalog)
last update: March 1, 2019
If you have just landed here, this product OMRON NX-CSG / SL5 / SI / SO Safety Components,Safety Components is offered online by Tianin FLD Technical Co.,Ltd. This is an online store providing Safety Components at wholesale prices for consumers. You can call us or send enquiry, we would give you the prices, packing,deliverty and more detailed information on the NX-CSG / SL5 / SI / SO We cooperate with DHL,TNT,FEDEX,UPS,EMS,etc.They guarantee to meet your needs in terms of time and money,even if you need your OMRON NX-CSG / SL5 / SI / SOSafety Components tomorrow morning (aka overnight or next day air) on your desk, 2, 3 days or more.Note to international customers, YES, we ship worldwide.
SYSMAC-XR[][][] Sysmac Library/Features
F3W-E Picking Sensor/Features
E5C2 Temperature Controller/Features
CJ1W-B7A CJ-series B7A Interface Unit/Features
XW2R (General-purpose devices) Connector-Terminal Block Conversion Units for General-purpose Devi...
last update: October 1, 2018
| Unit type | Appearance | Supported communications protocol | Number of communications connectors | Network variables | Unit version | Model |
|---|---|---|---|---|---|---|
| Communication Control Unit | ![]() | EtherNet/IP *1 | 3 | 2 *2 | Ver. 1.01 | NX-CSG320 |
Note: One NX-END02 End Cover is provided with the NX-CSG320 Communication Control Unit.
*1. Routing of the CIP Safety protocol is supported.
*2. PORT1 is an independent port. PORT2A and PORT2B are the ports with a built-in Ethernet switch.
| Unit type | Appearance | Specifications | Unit version | Model | |||
|---|---|---|---|---|---|---|---|
| Maximum number of safety I/O points | Program capacity | Number of safety I/O connections | I/O refreshing method | ||||
| Safety CPU Unit (NX-SL5[][][]) | ![]() | 1024 points | 2048 KB | 128 | Free-Run refreshing | Ver. 1.3 | NX-SL5500 |
![]() | 2032 points | 4096 KB | 254 | Free-Run refreshing | Ver. 1.3 | NX-SL5700 | |
Note: Refer to your local OMRON website for details of the NX-SL3[][][] Safety CPU Unit.
| Unit type | Appea- rance | Specifications | Unit version | Model | ||||||
|---|---|---|---|---|---|---|---|---|---|---|
| Number of safety input points | Number of test output points | Internal I/O common | Rated input voltage | OMRON special safety input devices | Number of safety slave connec- tions | I/O refresh- ing method | ||||
| Safety Input Units | ![]() | 4 points | 2 points | Sinking inputs (PNP) | 24 VDC | Cannot be connected. * | 1 | Free-Run refreshing | Ver. 1.1 | NX-SIH400 |
![]() | 8 points | 2 points | Sinking inputs (PNP) | 24 VDC | Cannot be connected. | 1 | Free-Run refreshing | Ver. 1.0 | NX-SID800 | |
* The following OMRON special safety input devices can be connected directly without a special controller.
For detail of connectable OMRON special safety input devices, refer to NX-series User's Manual Safety Control Unit/Communication Control Unit (Cat. No. Z395).
| Type | Model and corresponding PL and safety category |
|---|---|
| OMRON Single-beam Safety Sensors | E3ZS |
| OMRON Non-contact Door Switches | D40Z D40A |
| OMRON Safety Mats | UM, UMA |
| OMRON Safety Edges | SGE (4-wire connection) |
| Unit type | Appea- rance | Specifications | Unit version | Model | |||||
|---|---|---|---|---|---|---|---|---|---|
| Number of safety output points | Internal I/O common | Maximum load current | Rated voltage | Number of safety slave connec- tions | I/O refresh- ing method | ||||
| Safety Output Units | ![]() | 2 points | Sourcing outputs (PNP) | 2.0 A/point, 4.0 A/ Unit at 40°C, and 2.5 A/Unit at 55°C The maximum load current depends on the installation orientation and ambient temperature. | 24 VDC | 1 | Free-Run refreshing | Ver. 1.0 | NX-SOH200 |
![]() | 4 points | Sourcing outputs (PNP) | 0.5 A/point and 2.0 A/Unit | 24 VDC | 1 | Free-Run refreshing | Ver. 1.0 | NX-SOD400 | |
Please purchase a DVD and required number of licenses the first time you purchase the Sysmac Studio. DVDs and licenses are available individually. Each model of licenses does not include any DVD.
| Product name | Specifications | Model | ||
|---|---|---|---|---|
| Number of licenses | Media | |||
| Sysmac Studio Safety Edition Ver. 1.[][] *1 | Sysmac Studio Safety Edition is a license including necessary setting functions for the safety control system. * This product is a license only. You need the Sysmac Studio Standard Edition DVD media to install it. | 1 license | --- | SYSMAC-FE001L |
| Sysmac Studio Standard Edition Ver. 1.[][] *2 | The Sysmac Studio is the software that provides an integrated environment for setting, programming, debugging and maintenance of machine automation controllers including the NJ/NX-series CPU Units, NY-series Industrial PC, EtherCAT Slave, and the HMI. Sysmac Studio runs on the following OS. Windows 7 (32-bit/64-bit version)/8 (32-bit/64-bit version)/8.1 (32-bit/64-bit version)/10 (32-bit/64-bit version) | --- (Media only) | DVD | SYSMAC-SE200D |
Note: For details of the Automation Software Sysmac Studio, refer to your local OMRON website.
*1. The Safety Edition can be used with the Communication Control Unit and EtherNet/IP Coupler Unit.
*2. The Sysmac Studio Standard Edition License (SYSMAC-SE2[][]L) includes functions that the Safety Edition (SYSMAC-FE001L) provides.
The Communication Control Unit can be used with the Sysmac Studio version 1.24 or higher.
| Product name | Specification | Model |
|---|---|---|
| Memory Card | SD memory card, 2 GB | HMC-SD291 |
| SD memory card, 4 GB | HMC-SD491 |
| Product Name | Specification | Model |
|---|---|---|
| Unit/Terminal Block Coding Pins | For 10 Units (Terminal Block: 30 pins, Unit: 30 pins) | NX-AUX02 |
| Product name | Specification | Model | |||
|---|---|---|---|---|---|
| No. of terminals | Terminal number indications | Ground terminal mark | Terminal current capacity | ||
| Terminal Block | 8 | A/B | Provided | 10 A | NX-TBC082 |
| 8 | A/B | None | 10 A | NX-TBA082 | |
| 16 | A/B | None | 10 A | NX-TBA162 | |
One End Cover is provided with the Communication Control Unit.
last update: October 1, 2018
last update: August 20, 2018
(Unit: mm)
Note: For dimensions with the communications cable connected, refer to NX-series User's Manual Safety Control Unit/Communication Control Unit (Cat. No.Z395)
Safety Input Units NX-SIH400/SID800
Safety Output Units NX-SOH200/SOD400
*1. The dimension is 1.35 mm for Units with lot numbers through December 2014.
*2. The dimension from the attachment surface of the DIN Track to the front surface of the Safety I/O Unit.
* The dimension from the attachment surface of the DIN
Track to the front surface of the end cover.
last update: August 20, 2018
| Catalog Name | Catalog Number [size] | Last Update | |
|---|---|---|---|
| | F104-E1-04 [9146KB] | Mar 01, 201920190301 | NX-Series Safety NetworkController Cataolg |
last update: November 1, 2018
| TÜV Rheinland *1 | • EN ISO 13849-1 • EN ISO 13849-2 • IEC 61508 parts 1-7 • IEC/EN 62061 • IEC/EN 61131-2 • IEC 61326-3-1 • IEC 61131-6 *2 |
|---|---|
| UL | • NRAG (UL 61010-1, UL 61010-2-201 and UL 121201) • NRAG7 (CSA C22.2 No. 61010-1, CSA C22.2 No. 61010-2-201 and CSA C22.2 No. 213) • FSPC (IEC 61508 and ISO 13849) *2 |
| Certification body | Standards |
|---|---|
| TÜV Rheinland *1 | • EN ISO 13849-1 • EN ISO 13849-2 • IEC 61508 parts 1-7 • IEC/EN 62061 • IEC/EN 61131-2 • IEC 61326-3-1 |
| UL | • NRAG (UL 508 and ANSI/ISA 12.12.01) • NRAG7 (CSA C22.2 No. 142 and CSA C22.2 No. 213) |
*1. The FSoE protocol was certified for applications in which OMRON FSoE devices are connected to each other.
For compatibility with FSoE devices other than OMRON FSoE devices, the customer must validate FSoE
communications.
*2. Only NX-SL5500/5700 have obtained IEC 61131-6 and FSPC certifications.
The NX-series Safety Control Units allow you to build a safety control system that meets the following standards.
• Requirements for SIL 3 (Safety Integrity Level 3) in IEC 61508, IEC/EN 62061, (Functional Safety of Electrical/Electronic/
Programmable Electronic Safety-related Systems)
• Requirements for PLe (Performance Level e) and for safety category 4 in EN ISO13849-1
The NX-series Safety Control Units are also registered for RCM, EAC, and KC compliance.
| Certification body | Standards |
|---|---|
| UL | • NRAG (UL 61010-1, UL 61010-2-201 and UL 121201) • NRAG7 (CSA C22.2 No. 61010-1, CSA C22.2 No. 61010-2-201 and CSA C22.2 No.213) |
The NX-series Communication Control Units are also registered for RCM, EAC, and KC compliance.
| Item | Specification | |
|---|---|---|
| Enclosure | Mounted in a panel (open) | |
| Grounding method | Ground to 100 Ω or less | |
| Operating environment | Ambient operating temperature | 0 to 55°C |
| Ambient operating humidity | 10% to 95% (with no condensation or icing) | |
| Atmosphere | Must be free from corrosive gases. | |
| Ambient storage temperature | -25 to 70°C (with no condensation or icing) | |
| Altitude | 2,000 m max. | |
| Polsption degree | 2 or less: Conforms to JIS B3502 and IEC 61131-2. | |
| Noise immunity | Conforms to IEC 61131-2. 2 kV on power supply line | |
| Insulation class | Class III (SELV) | |
| Overvoltage category | Category II: Conforms to JIS B3502 and IEC 61131-2. | |
| EMC immunity level | Zone B | |
| Vibration resistance | Conforms to IEC 60068-2-6. 5 to 8.4 Hz with 3.5-mm amplitude 8.4 to 150 Hz, acceleration of 9.8 m/s2 100 minutes each in X, Y, and Z directions (10 sweeps of 10 min each = 100 min total) | |
| Shock resistance | Conforms to IEC 60068-2-27. 147 m/s2, 3 times each in X, Y, and Z directions | |
| Insulation resistance * | 20 MΩ between isolated circuits (at 100 VDC) | |
| Dielectric strength * | 510 VAC for 1 min between isolated circuits, leakage current: 5 mA max. | |
| Installation method | DIN Track (IEC 60715 TH35-7.5/TH35-15) | |
* The specification is for the Communication Control Unit, Safety Input Unit, and Safety Output Unit, not for the Safety CPU Unit.
| Unit name | Communication Control Unit | |
|---|---|---|
| Model | NX-CSG320 | |
| Indicators | [RUN] indicator, [ERROR] indicator, [BUSY] indicator, [SD PWR] indicator, [SD BUSY] indicator, [NS] indicator × 2, [L/A] indicator, [L/A 2A] indicator, [L/A 2B] indicator, [TS] indicator, [UNIT PWR] indicator, [I/O PWR] indicator ![]() | |
| Hardware switch settings | [IP ADDRESS 1] Switch (x16, x1), [IP ADDRESS 2] Switch (x16, x1), DIP Switch ![]() * Factory default • IP ADDRESS1: 192.168.1.1 [IP ADDRESS 1] Switch = “00” • IP ADDRESS2: 192.168.250.1 [IP ADDRESS 2] Switch = “00” | |
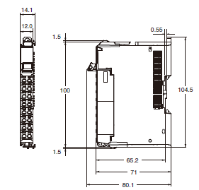
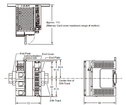
| Dimensions *1 | 72 × 100 × 90 mm (W × H × D) | |
| Weight *2 | 390 g | |
| Number of NX Units that you can connect | 32 units or less | |
| Number of communications that can be set between NX Units | 254 ports max. *3 | |
| Unit power supply | Power supply voltage | 24 VDC (20.4 to 28.8 VDC) |
| Unit power consumption *4 | 5.95 W | |
| Inrush current *5 | For cold start at room temperature: 10 A max./0.1 ms max. and 2.5 A max./150 ms max. | |
| Current capacity of power supply terminal *6 | 4 A | |
| Isolation method | No isolation: Between the Unit power supply terminal and internal circuit | |
| Power supply to the NX Unit power supply | NX Unit power supply capacity | 10 W max. |
| NX Unit power supply efficiency | 80% | |
| Isolation method | No isolation: Between the Unit power supply terminal and NX Unit power supply | |
| I/O power supply to NX Units | Power supply voltage | 5 to 24 VDC (4.5 to 28.8 VDC) |
| Maximum I/O power supply current | 4 A | |
| Current consumption from I/O power supply | 10 mA max. (24 VDC) | |
| External connection terminals | Screwless clamping terminal block (8 terminals) | |
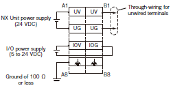
| Terminal connection diagram | UV/UG: Unit power supply terminals IOV/IOG: I/O power supply terminals ![]() | |
| Accessories | End cover (NX-END02): 1 pc. | |
| Installation orientation and restrictions | Only upright installation orientation | |
*1. Includes the End Cover, and does not include projecting parts.
*2. Includes the End Cover. The weight of the End Cover is 82 g.
*3. Includes the SD Memory Card. The NX Unit power consumption to NX Units is not included.
*4. This is the inrush current value when the power supply turns ON after it has been OFF.
The inrush current may vary depending on the operating condition and other conditions. Therefore, select fuses, breakers, and external power supply devices that have enough margin in characteristic and capacity, considering the condition under which the devices are used.
Especially when you turn the power ON/OFF through a switch inserted to the external DC power supply, cycling power ON-OFF-ON within one second will cause the inrush current of approx. 30 A/0.3 mA to occur since the inrush current limiter circuit fails to limit the current.
*5. The amount of current that can be passed constantly through the terminal. Do no exceed this current value when you use a through-wiring for the Unit power supply.
*6. The actual configurable number can be calculated as follows: 254 - <Number of CIP Safety connections configured> - <Number of FSoE connections configured>
The following table shows the specifications of the built-in EtherNet/IP port of the Communication Control Unit.
| Item | Specification | |
|---|---|---|
| NX-CSG-[][][] | ||
| Communications protocol | TCP/IP or UDP/IP | |
| Supported services | Sysmac Studio connection, tag data links, CIP message communications, FTP server, automatic clock adjustment (NTP client), SNMP (agent), DNS (client), BOOTP (client), TCP/ UDP message service | |
| Number of logical ports | 2 (With IP routing function) | |
| Physical layer | 100Base-TX or 10Base-T (100Base-TX is recommended.) *1 | |
| Transmission specifications | Media access method | CSMA/CD |
| Modulation | Baseband | |
| Transmission paths | Star form | |
| Baud rate | 100 Mbps (100BASE-TX) | |
| Transmission media | Shielded twisted-pair (STP) cable, Category 5, 5e or higher | |
| Transmission distance | 100 m max. (distance between hub and node) | |
| Number of cascade connections | The built-in switching ports support up to 50 nodes. There is no limitation when an external Ethernet switch is used. | |
| CIP Safety routing | Maximum number of routable CIP Safety connections | 254 total For multi-cast connections, 128 total |
| Maximum routable Safety data length per connection | 32 bytes | |
| CIP service: Tag data links (cyclic communica- tions) | Number of connections | 32/Logical ports (total of 64 with two logical ports) |
| Packet interval (refresh cycle) | 1 to 10,000 ms in 1-ms increments | |
| Packet intervals can be set independently for each connection. (Data is refreshed over the network at preset intervals and does not depend on the number of nodes.) | ||
| Allowed communications bandwidth per Unit | 12,000 pps *2 | |
| Note: The heartbeat and CIP Safety routing are incspded. | ||
| Number of registrable tags | 1024/Logical ports (total of 2048 with two logical ports) | |
| Tag types | Network variables | |
| Number of tags per connection (=1 tag set) | 32 (31 tags if Controller status is incspded in the tag set.) | |
| Maximum link data size per node | 46,208 bytes/Logical ports 92,416 bytes total | |
| Maximum data size per connection | 1,444 bytes *3 | |
| Number of registrable tag sets | Data concurrency is maintained within each connection. | |
| 32 per port (1 connection = 1 tag set) (total of 40 with two logical ports) *4 | ||
| Maximum size of 1 tag set | 1,444 bytes (Two bytes are used if Controller status is incspded in the tag set.) | |
| Multi-cast packet filter *5 | Supported. | |
| CIP message service: Explicit messages *6 | Class 3 (number of connections) | Connections: 16/Logical ports (total of 32 with two logical ports) (server only) |
| UCMM (unconnected) | Maximum number of clients that can communicate at one time: 16 per port (total of 32 with two logical ports) Maximum number of servers that can communicate at one time: 16 per port (total of 32 with two logical ports) | |
| TCP/UDP message service | Maximum number of clients that can communicate at one time | 16 per port (total of 32 with two logical ports) |
| Maximum message size | Request: 492 bytes Response: 496 bytes | |
| SNMP | Agent | SNMPv1, SNMPv2c |
| MIB | MIB-II | |
| EtherNet/IP conformance test | Conforms to CT14 | |
| Ethernet interface | 10BASE-T or 100BASE-TX Auto negotiation or fixed settings | |
*1. If tag data links are being used, use 100Base-TX.
*2. Here, pps means “packets per second” and indicates the number of packets that can be processed in one second.
*3. To use a data size of 505 bytes or higher, the system must support a large forward open (an optional CIP specification).
The CS, CJ, NJ, and NX-series Units support a large forward open, but before connecting to nodes of other companies, confirm that those devices also support it.
*4. If more than 40 tag sets are registered in total, the Tag Data Link, Too Many Tag Sets Registered (840E0000 hex) event will occur.
*5. Because the built-in EtherNet/IP port is equipped with an IGMP client (version 2), unnecessary multicast packets can be filtered out by an Ethernet switch that supports IGMP Snooping.
*6. The built-in EtherNet/IP port uses the TCP/UDP port numbers shown in the following table.
Do not set the same port number for more than one TCP/UDP service.
| Service | Type | Port number | Remarks |
|---|---|---|---|
| Tag data links | UDP | 2222 | Fixed vaspes |
| Used by system | UDP | 2223, 2224 | |
| TCP | 9610 | ||
| CIP messages | TCP | 44818 | |
| FTP client (Data transfer port) | TCP | 20 | |
| DNS client | TCP/UDP | 53 | |
| BOOTP client | UDP | 68 | |
| HTTP server | TCP | 80 | |
| Used by system, other | TCP/UDP | 9600 | You can change the port number in the Unit Settings on the Sysmac Studio. |
| FTP client (Control port) | TCP | 21 | |
| TCP/UDP message service | TCP/UDP | 64000 | |
| NTP client | UDP | 123 | |
| SNMP agent | UDP | 161 | |
| SNMP trap | UDP | 162 |
| Unit name | Safety CPU Unit | |
|---|---|---|
| Model | NX-SL5500 | NX-SL5700 |
| Maximum number of safety I/O points | 1024 points | 2032 points |
| Program capacity | 2048 KB | 4096 KB |
| Number of safety master connections *1 | 128 | 254 |
| Number of CIP Safety originator connections | 128 | 254 |
| Number of CIP Safety target connections | 4 | 4 |
| Number of originators that can be connected with a multi-cast connection | 8 | 8 |
| Number of FSoE master connections | 128 | 254 |
| I/O refreshing method | Free-Run refreshing | |
| External connection terminals | None | |
| Indicators | [TS] indicator, [NS] indicator, [FS] indicator, [P ERR] indicator, [RUN] indicator, [VALID] indicator, [DEBUG] indicator, seven-segment indicator ![]() | [TS] indicator, [NS] indicator, [FS] indicator, [P ERR] indicator, [RUN] indicator, [VALID] indicator, [DEBUG] indicator, seven-segment indicator ![]() |
| Hardware switch settings | [SERVICE] switch, [SETTING] switch ![]() | [SERVICE] switch, [SETTING] switch ![]() |
| Dimensions | 30 × 100 × 71 mm (W × H × D) | |
| I/O power supply method | Not supplied. | |
| Current capacity of I/O power supply terminals | No I/O power supply terminals | |
| NX Unit power consumption | 3.35 W max. *2 | |
| Current consumption from I/O power supply | No consumption | |
| Weight | 130 g max. | |
| Installation orientation and restrictions | Installation orientation: Upright installation Restriction *3: None. | |
*1. This is the maximum number of Safety I/O connections that can be set to this Unit. The value is the total number of CIP Safety originator connections, CIP Safety target connections, and FSoE master connections.
*2. The cable length for the Units (Communication Control Unit and Power Supply Unit for NX Units) that supply power to the corresponding Unit must be up to 20 m.
*3. Only NX102 CPU Units and Communication Control Units can be connected. NX1P2 CPU Units or Communications Coupler Units cannot be connected.
| Unit name | Safety Input Unit | |
|---|---|---|
| Model | NX-SIH400 | NX-SID800 |
| Number of safety input points | 4 points | 8 points |
| Number of test output points | 2 points | 2 points |
| Internal I/O common | PNP (sinking inputs) | |
| Rated input voltage | 24 VDC (20.4 to 28.8 VDC) | |
| OMRON special safety input devices | Can be connected. | Cannot be connected. |
| Number of safety slave connections | 1 | |
| I/O refreshing method | Free-Run refreshing | |
| External connection terminals | Screwless clamping terminal block (8 terminals) | Screwless clamping terminal block (16 terminals) |
| Indicators | [TS] indicator, [FS] indicator, [IN] indicator, [IN ERR] indicator ![]() | [TS] indicator, [FS] indicator, [IN] indicator, [IN ERR] indicator ![]() |
| Safety input current | 4.5 mA TYP. | 3.0 mA TYP. |
| Safety input ON voltage | 11 VDC min. | 15 VDC min. |
| Safety input OFF voltage/OFF current | 5 VDC max., 1 mA max. | |
| Test output type | Sourcing outputs (PNP) | |
| Test output load current | 25 mA max. | 50 mA max. |
| Test output residual voltage | 1.2 V max. (Between IOV and all output terminals) | |
| Test output leakage current | 0.1 mA max. | |
| Dimensions | 12 × 100 × 71 mm (W × H × D) | |
| Isolation method | Photocoupler isolation | |
| Insulation resistance | 20 MΩ min. between isolated circuits (at 100 VDC) | |
| Dielectric strength | 510 VAC for 1 min between isolated circuits, leakage current: 5 mA max. | |
| I/O power supply method | Power supplied from the NX bus | |
| Current capacity of I/O power supply terminals | No applicable terminals. | |
| NX Unit power consumption | • Connected to a CPU Unit or a Communication Control Unit 1.10 W max. • Connected to a Communications Coupler Unit 0.70 W max. | • Connected to a CPU Unit or a Communication Control Unit 1.10 W max. • Connected to a Communications Coupler Unit 0.75 W max. |
| Current consumption from I/O power supply | 20 mA max. | |
| Weight | 70 g max. | |
| Circuit layout | ![]() | ![]() |
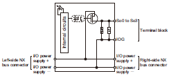
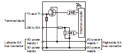
| Terminal connection diagram | Si0 to Si3: Safety input terminals T0 and T1: Test output terminals ![]() Refer to User's manual (Cat. No. Z395) for details. | Si0 to Si7: Safety input terminals T0 and T1: Test output terminals ![]() Refer to User's manual (Cat. No. Z395) for details. |
| Installation orientation and restrictions | Installation orientation: • Connected to a CPU Unit or a Communication Control Unit * Possible in the upright installation orientation. • Connected to a Communications Coupler Unit 6 possible orientations. Restrictions: Maximum ambient temperature is 50°C for any orientation other than upright installation. | |
| Protective functions | Overvoltage protection circuit and short detection (test outputs) | |
* Only NX102 CPU Units and Communication Control Units can be connected. NX1P2 CPU Units cannot be connected.
| Unit name | Safety Output Unit | |
|---|---|---|
| Model | NX-SOH200 | NX-SOD400 |
| Number of safety output points | 2 points | 4 points |
| Internal I/O common | PNP (sourcing outputs) | |
| Maximum load current | 2.0 A/point 4.0 A/Unit at 40°C 2.5 A/Unit at 55°C The maximum load current depends on the installation orientation and ambient temperature | 0.5 A/point and 2.0 A/Unit |
| Rated voltage | 24 VDC (20.4 to 28.8 VDC) | |
| Number of safety slave connections | 1 | |
| I/O refreshing method | Free-Run refreshing | |
| External connection terminals | Screwless clamping terminal block (8 terminals) | |
| Indicators | [TS] indicator, [FS] indicator, [OUT] indicator, [OUT ERR] indicator ![]() | [TS] indicator, [FS] indicator, [OUT] indicator, [OUT ERR] indicator ![]() |
| Safety output ON esidual voltage | 1.2 V max. (Between IOV and all output terminals) | |
| Safety output OFF residual voltage | 2 V max. (Between IOG and all output terminals) | |
| Safety output leakage current | 0.1 mA max. | |
| Dimensions | 12 × 100 × 71 mm (W × H × D) | |
| Isolation method | Photocoupler isolation | |
| Insulation resistance | 20 MΩ min. between isolated circuits (at 100 VDC) | |
| Dielectric strength | 510 VAC for 1 min between isolated circuits, leakage current: 5 mA max. | |
| I/O power supply method | Power supplied from the NX bus | |
| Current capacity of I/O power supply terminals | IOG: 2 A max./terminal | IOG (A3 and B3): 2 A max./terminal IOG (A7 and B7): 0.5 A max./terminal |
| NX Unit power consumption | • Connected to a CPU Unit or a Communication Control Unit 1.05 W max. • Connected to a Communications Coupler Unit 0.70 W max. | • Connected to a CPU Unit or a Communication Control Unit 1.10 W max. • Connected to a Communications Coupler Unit 0.75 W max. |
| Current consumption from I/O power supply | 40 mA max. | 60 mA max. |
| Weight | 65 g max. | |
| Circuit layout | ![]() | ![]() |
| Terminal connection diagram | So0 and So1: Safety output terminals IOG: I/O power supply 0 V ![]() Refer to User's manual (Cat. No. Z395) for details. | So0 to So3: Safety output terminals IOG: I/O power supply 0 V ![]() Refer to User's manual (Cat. No. Z395) for details. |
| Installation orientation and restrictions | Installation orientation: • Connected to a CPU Unit or a Communication Control Unit * Possible in the upright installation orientation. • Connected to a Communications Coupler Unit 6 possible orientations Restrictions: For upright installation, the ambient temperature is restricted as shown below depending on the total Unit load current. ![]() | Installation orientation: • Connected to a CPU Unit or a Communication Control Unit * Possible in the upright installation orientation. • Connected to a Communications Coupler Unit 6 possible orientations. Restrictions: None |
| Protective functions | Overvoltage protection circuit and short detection (test outputs) | |
* Only NX102 CPU Units and Communication Control Units can be connected. NX1P2 CPU Units cannot be connected.
Refer to your local OMRON website for function specifications of the Communication Control Unit and Safety Control Unit.
This section describes the combinations that can be used of the unit versions of the Safety Control Unit and the Communication Control Unit, and the version of the Sysmac Studio.
| NX Unit | Corresponding unit version/version | ||
|---|---|---|---|
| Model | Unit version | Communication Control Unit | Sysmac Studio |
| NX-SL5500 | Ver. 1.3 | Ver. 1.01 | Ver. 1.24 *1 |
| NX-SL5700 | Ver. 1.3 | Ver. 1.01 | Ver. 1.24 *1 |
| NX-SIH400 | Ver. 1.0 | Ver. 1.00 | Ver. 1.24 *2 |
| NX-SIH400 | Ver. 1.1 | Ver. 1.00 | Ver. 1.24 *2 |
| NX-SID800 | Ver. 1.0 | Ver. 1.00 | Ver. 1.24 *2 |
| NX-SOD400 | Ver. 1.0 | Ver. 1.00 | Ver. 1.24 *2 |
| NX-SOH200 | Ver. 1.0 | Ver. 1.00 | Ver. 1.24 *2 |
*1. The data types in the following table are supported for communications between NX Units.
| Supported data types |
|---|
| BOOL |
| BYTE |
| INT |
| WORD |
| DINT |
*2. Communications between NX Units are not supported.
last update: November 1, 2018